三相异步电动机接触器联锁正反转控制线路plc编程实例
时间:2023-03-13来源:佚名
|
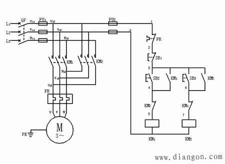
1.分析被控对象并提出控制要求 按下正转启动按钮SB2,KM1得电自锁,电动机M正转;按下停止按钮SB1,电动机M停转;按下反转启动按钮SB3,KM2得电自锁,电动机M反转。 按下正转启动按钮SB2,电动机M正转;再按下反转启动按钮SB3,电动机继续正转。正反转控制是接触器联锁:正转——停转——反转——停转——正转 电气控制线路图: ![]() 电气控制转换成plc控制 2.确定输入/输出设备 输入信号(控制信号):正转启动信号—按钮SB2 停止信号—按钮SB1 反转启动信号—按钮SB3 输出信号(执行元件):接触器KM1 接触器KM2 3.选择PLC PLC选择包括对PLC的机型、容量、I/O模块、电源等的选择 4.分配I/O点并设计PLC外围硬件线路 端口分配表:
5.程序设计
电气控制转换成PLC控制
(3)程序设计 ![]() (4)硬件实施 ![]() |












