lm386制作的随身听、小功放电路_lm386的功放电路_LM386引脚图
时间:2023-03-13来源:佚名
|
扩音机的实验可以作为随身听、微弱信号放大器,当你在家自制一扩音机,把随身听中美妙的音乐通过扩音机放出,不再用耳机,你不觉很有成就感吗?
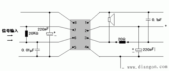
扩音机的基本原理是利用功放集成电路LM386进行控制,其电路原理图如图1所示。
lm386的功放电路 电路原理
|
|
扩音机的实验可以作为随身听、微弱信号放大器,当你在家自制一扩音机,把随身听中美妙的音乐通过扩音机放出,不再用耳机,你不觉很有成就感吗?
扩音机的基本原理是利用功放集成电路LM386进行控制,其电路原理图如图1所示。
lm386的功放电路 电路原理
|





