电流互感器的应用
|
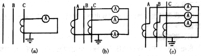
1、交流电流的测量 设备是否运行在额定电流值,设置电流测量装置是必要的技术措施。有关规定40KW以上的设备,必须装设电流表进行监控。 交流电流的测量有直接测量和经电流互感器扩大测量的方式。直接测量就是将适当的电流表串接电流回路上。而下图所示电路均为经电流互感器接入式测量。 (a)采用一台电流互感器测量三相平衡线路中的电流。电流互感器选择的是以电流表量程依据,而电流表的量程则是根据负载电流的实际值,应占电流表总量程的2/3至满度值之间。比如一台设备额定电流为100A,则选择满度值为150A的电流表。此时电流互感器的互感比则应选150/5A,电流表也相应选比值为150/5A的电流表。读数时则以表指示值直读。 (b)采用二台电流互感器,接成不完全星形,用以测量三相平衡或不平衡线路中的三相电流。 (c)采用三台电流互感器,接成完全星形接法,用以测量三相平衡或不平衡线路中的三相电流。 2、交流电度的测量 为了扩大交流电度表的量程,工厂最常用的是采用电流互感器的方法来扩大量程。
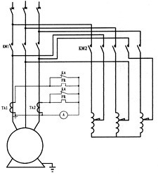
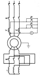
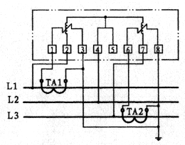
(1)、第一图是采用单相电度表加电流互感器的测量方法。可用于测量三相平衡或单相电度计量。 (2)、第二图是采用二元件三相三线有功电度表,加二个电流互感器的测量方法。可用于测量三相平衡或不平衡线路中的电度计量。 (3)、第三图是采用三相四线有功电度表,加三个电流互感器的测量方法。可测量三相平衡或不平衡线路中的电度计量。 3、电力拖动线路中的保护 大功率电动机中的过载保护,往往由于电流大,而无法购到相应的热继电器,在这样的情况下,一般采用加装电流互感器的方法来解决。其实质是将大电流变换成小电流用5A以内的热继电器足可满足过载保护的要求。
(1)、图一:电流互感器用于大功率自耦降压启动,电动机中的过载保护。 (2)、图二:电流互感器用于大功率频敏变阻器启动,电动机中的过载保护。 (3)、图三:电流互感器用于大功率星-角降压启动,电动机中的过载保护。 |










