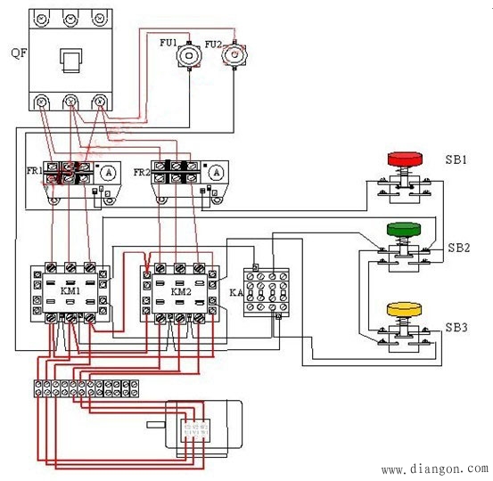
应机械对电机的要求及电机自身的需要,三相双速电机的应用已非常广泛。最常见的就是双速风机及星三角启动。所谓双速就是改变电机的接线方式:当星形连接时,电流小、功率小、转速低;当三角形连接时,电流大、功率大、转速高。因当三角形连接时的电流比星形连接时的电流大得多,所以三角形连接时的电机的温度也比星形连接时的温度高。而电机的耐温是由电机的绝缘等级决定的,各电机有不同的绝缘等级。因此,并非所有的电机都能作星三角连接,要视电机的特性而定,要根据电机的说明书或铭牌而定。 电机绕组的基本形式:电机有三个相隔120°的绕组,每个绕组有二个线头。按相同的顺序方向,将三个绕组的相应线头定号为(1),另三个线头定号为(2),将三个绕组的代码编为U、V、W。就得到了U1-U2、V1-V2、W1-W2六个线头。显见U、V、W和1、2都是自定义的。 一、接线前的检查及准备: 1、新的配套设备,因出厂前已根据机械的转向,调整好了接线位置,所以不宜再变动。 2、当电机的线头被搞乱或标识不全时,可以看颜色,同一颜色的,一头是1,另一头肯定就是2。如同一色线头上连1、2都没有,这本身就是不合格产品,可拒绝安装。当然用测试仪表(或小功率电机试通电)也能分辩出来的。 3、电机接线盒内有二排(各三个)接线桩,并备有三块短接片,将U1、V1、W1三个线头按顺序套进上排的三个接线桩。将W2、U2、V2三个线头套进下排的三个接线桩。注意上下不要套同一色线(可以W2、U2、V2或V2、W2、U2、)。 二、单速电机的接线: 1、星形连接(低速):将黄绿红控制线接到上排的U1、V1、W1的三个接线桩上压紧。将下排三个接线桩用短接片(横向)短路。 2、三角形连接(高速):将这三块短接片都(竖向)套在上下二排的接线桩之间。再将黄绿红控制线接到上排的U1、V1、W1的三个接线桩上压紧。 三、双速电机的接线: 双速控制箱内有三个KM,KM3是公认的短路接触器,从箱内可看到一端被短路的就是KM3。而KM1和KM2,各生产厂有不同的编号,有的把主接触器叫做KM1,有的把主接触器叫做KM2。主接触器不论是高速还是低速都是闭合的,(我们就设KM1为主接触器吧)。这样KM2与KM3就成了联动切换器了。而KM3是接在KM2下的,从箱内可以查看到,同时也能确定这只是KM2。KM2和KM3在电机运行中只能有一只是闭合的,否则就是短路。(因为KM3是短接的,二只都闭合,KM3就把KM2也短路了) 先要核对二根电缆在控制箱内接线是否正确,尤其是相位(左起黄绿红)。将电机内的三块短接片全部取掉,把从KM1出来的控制线直接按黄绿红接到上排的U1、V1、W1的三个接线桩上压紧。把从KM2接出来的控制线按黄绿红接到W2、U2、V2的三个接线桩上压紧。这样三相双速电机的接线就基本完成了。(有的厂方接线图上把从KM1接出来的控制线接到W2、U2、V2上,这也没关系,因为这本身就是自定义,只要了解原理就行了。) 如分不清从哪里出来的,(经过穿管敷桥架,有可能分不清),也没事,随意把那根电缆接在上排或下排桩上。随意接对高速档无影响,因为三角形连接时,各相对其对应的二个线头的连接和顺序是不会变的,所以它的转向也不会变。但随意接对低速档有影响,因为原W2、U2、V2是中性点,现在U1、V1、W1成了中性点,造成反转。就是说当高速和低速的转向不一时,将二根电缆在接线盒内对换一下,就能转向相同。当然也可以调整线头。 最后确定转向是否符合要求,如反转了,最方便的是在电源端对换二根相线。但如为了相色对齐A黄B绿C红,不宜在控制箱内换,也可在接线盒内对换,二组一起对换同二根相线或线头。 四、注意事项: 1、同一根电缆上的线必须接在同一编号上的三根电机线头上。(一排三桩上都为编号1、或都为编号2)。否则就成二相产生的磁场顺时针转,一相产生的磁场逆时针转,电机不会转。 2、二根电缆上的同一色线,切莫接在电机的同一颜色的二根线头上。例如二根电缆上的二根红色线(C相),都接在电机的U1、U2上,这就是将C相电都接在了U绕组上的两端。如AB相也是这么接的,当三角形连接时,电机内就没有通路,不会转动。如AB相交叉接在另二个绕组上,时间一长,就把电机烧了。 除这2点,都没事,随你怎么变换,无非是一个转向问题。 值得一提的是,试验转向时,宜用手工操作,尤其是星三角启动的电机,如用自动档试转向,万一高低速转向不一,试想,原本它从静止到正常运行都有一定的问题,让它从逆向运转反转到正常运行,它可受不了。 五、双速电机接线图控制原理调速原理 根据三相异步电动机的转速公式:n1=60f/p 三相异步电动机要实现调速有多种方法,如采用变频调速(YVP变频调速电机配合变频器使用),改变励磁电流调速(使用YCT电磁调速电机配合控制器使用,可实现无极调速),也可通过改变电动机 变极调速,即是通过改变定子绕组的连接方法达到改变定子旋转磁场磁极对数,从而改变电动机的转速。 根据公式;n1=60f/p可知异步电动机的同步转速与磁极对数成反比,磁极对数增加一倍,同步转速n1下降至原转速的一半,电动机额定转速n也将下降近似一半,所以改变磁极对数可以达到改变电动机转速的目的(这也是常见的2极电机同步转速为3000rpm,4极电机同步转速1500rpm,6极电机同步转速1000rpm等)。这种调速方法是有级的,不能平滑调速,而且只适用于鼠笼式电动机,这就是双速电机的调速原理。 下图双速电机接线图介绍的是最常见的单绕组双速电动机,转速比等于磁极倍数比,如2极/4极、4级/8极,从定子绕组△接法变为YY接法,磁极对数从p=2变为p=1。 ∴转速比=2/1=2

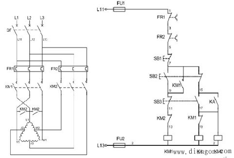
 六、控制电路分析(双速电机接线图如下图) 1、合上空气开关QF引入三相电源 2、按下起动按钮SB2,交流接触器KM1线圈回路通电并自锁,KM1主触头闭合,为电动机引进三相电源,L1接U1、L2接V1、L3接W1;U2、V2、W2悬空。电动机在△接法下运行,此时电动机p=2、n1=1500转/分。 3、FR1、FR2分别为电动机△运行和YY运行的过载保护元件。 4、 若想转为高速运转,则按SB3按钮,SB3的常闭触点断开使接触器KM1线圈断电,KM1主触头断开使U1、V1、W1与三相电源L1、L2、L3脱离。其辅助常闭触头恢复为闭合,为KM2线圈回路通电准备。(http://www.gdzrlj.com版权所有)同时接触器KM2线圈回路通电并自锁,其常开触点闭合,将定子绕组三个首端U1、V1、W1连在一起,并把三相电源L1、L2、L3引入接U2、V2、W2,此时电动机在YY接法下运行,这时电动机p=1,n1=3000转/分。KM2的辅助常开触点断开,防KM1误动。 5、此控制回路中SB2的常开触点与KM1线圈串联,SB2的常闭触点与KM2线圈串联,同样SB3按钮的常闭触点与KM1线圈串联,SB3的常开于KM2线圈串联,这种控制就是按钮的互锁控制,保证△与YY两种接法不可能同时出现,同时KM2辅助常闭触点接入KM1线圈回路,KM1辅助常闭触点接入KM2线圈回路,也形成互锁控制。 七、双速电机定子接线图如下


|