变电站的类型
时间:2023-03-14来源:佚名
|
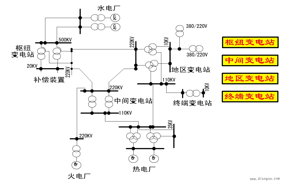
变电站是变换电能电压和分配电能的场所。它主要分为枢纽变电站、中间变电站、地区变电站、企业变电站和终端变电站等五种类型。 (一)枢纽变电站: 位于电力系统的枢纽点,电压等级一般为330KV及以上,联系多个电源,出线回路多,变电容量大,全站停电后将大面积停电,或系统解列,所以其对电力系统的稳定和可靠性起着重要作用。 (二)中间变电站: 位于系统主干环行线路或系统主要干线的接口处,电压等级一般为330~220KV,汇集2~3个电源和若干线路,高压侧以穿越功率为主,同时降压向地区用户供电。 (三)地区变电站: 是一个地区和一个中、小城市的主要变电站,电压等级一般为220KV,全站停电后将造成该地区或城市供电的紊乱。 (四)企业变电站: 是大、中型企业的专用变电站,电压等级35~220KV,1~2回进线。 (五)终端变电站: 位于配电线路的终端,接近负荷处,高压侧10~110KV引入线,经降压后向用户供电。 |






