电流互感器与电流继电器的接线方式
时间:2023-03-14来源:佚名
|
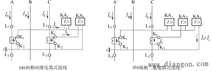
三相三继电器的三相星形接线(三相式接线) ![]() 互感器与继电器均接成星形,三个继电器的触点为并联,其中任一触点闭合后均可动作于跳闸或起动时间继电器。三相星形接线时,两个电流是相等的,因此接线系数 =1。常用于110kV及以上中性点直接接地系统中,作为相间短路和单相短路的保护。Y,d11变压器的过电流保护大都采用这种接线方式,以提高继电保护装置的灵敏度。不完全星形接线(两相式接线) ![]() 接线系数 =1。必须接设在A、C相上。只用了两个电流互感器和两个继电器,接线简单,所用设备较少,在6~10kV小接地短路电流系统中广泛应用。两相一继电器的两相差式接线(两相差式接线) 能反应所有相间短路,而不能完全反应单相短路和两相接地短路,但保护灵敏度有所不同,有的甚至相差一倍,因此不如两相式接线。但它接线简单,使用继电器最少,可以作为10kV及以下工厂企业的高压电动机保护。 ![]() |

=1。常用于110kV及以上中性点直接接地系统中,作为相间短路和单相短路的保护。Y,d11变压器的过电流保护大都采用这种接线方式,以提高继电保护装置的灵敏度。







