模拟式万用表的结构与测量原理
|
模拟式万用表由表头、测量线路及转换开关组成,如图1所示:
图1 万用表外观图 ①表头 ②转换开关 磁电式表头简图,如图2所示:
图2 磁电式表头简图 ①游丝指针 ②活动线圈 ③均匀气隙 ④永久磁铁 ⑤极掌 ⑥圆柱铁芯 (1)表头
(2)测量电路
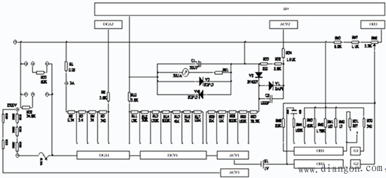
图3 MF-47型万用表原理图 1)直流电流的测量
图4 闭路抽头式多量程直流电流表原理图 2)直流电压的测量 •
图5 共用附加电阻的多量程直流电压表原理图 3)万用表在测量交流电压时,首先将交流信号进行整流,变成直流信号,然后通过电阻和微安表的串联电路中,其中串联电阻的阻值越大,万用表测量的交流信号的量程就越大。
图6 半波整流式交流电压表原理图 全波整流式交流电压表原理图,如图7所示:
图7 全波整流式交流电压表原理图 4)电阻的测量
(3)转换开关 |















