机电一体化系统检测信号的处理方法
时间:2023-03-14来源:佚名
|
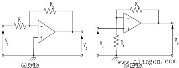
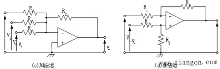
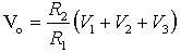
模拟信号处理 (1)运算放大 ![]() 图a是一个电压并联负反馈电路,可知: 即同相端和反相端近似短路,但 而不等于0,而 接地,故称反相输入端“虚地”虚地的存在时反相放大器闭环工作的重要特征。反相放大器的增益为 ![]() 注意问题:反相放大器的输入电阻和输出电阻均减小 图b为同相放大器电路,其同相端和反相端输入电压近似相等,即引入共模电压,这是同相放大器闭环工作的重要特征。实际上真正的输入电压为所加电压与反馈电压之差。 同相放大器的增益为 ![]() 从上式可知同相放大器的放大倍数大于1,至少等于1。 注意问题:同相放大器引入共模电压,因此需用高共模抑制比的运算放大器才能保证精度。其输入电阻增加,输出电阻减小 ![]() 图c加法电路。 加法器的功能是对若干输入信号求和。图中是对三个输入量求和的加法电路。该电路在反相端对输入电流求和,由理想模型概念有 由于 ![]() ![]() 图d减法电路。同相端的电压为 ![]() 反相端的电压与同相端电压相等,即 ![]() ![]() 图a是积分电路。其能够对输入信号实现积分运算。由电路理想模型知,因为 ,流过R的电流和流过C的电流相等,即 ,所以 ![]() 图b是微分电路。微分电路能够对输入信号实现微分运算。输入信号 经电容加到反馈输入端,根据理想模型,有![]() 二、数字信号处理 1、数字信号处理的步骤 ![]() 2 数字量传感器性能指标 (1)分辨率(Q)——改变一个测量计数所对应的被测量的变化值。 ![]() Q越小,说明数字量测量装置的精度越高。 (2)精度(ε)——测量误差值与实际测量值之比。数字量传感器测量装置的精度为: ![]() (3)检测时间——对被测参数进行两次采样之间的时间间隔。 (4)计数器字长——根据检测装置的最大测量值xmax及分辨率(Q)可以确定计数器的最大计数值: ![]() 3 滤波方法 (1)算术平均值法 平均值滤波法是对信号Y的m次测量值进行算术平均,作为时刻n的输出,即 ![]() (2)中位值滤波法 中位值滤波法的原理是对被测参数连续采样次(3且为奇数),并按大小顺序排序;再取中间值作为本次采样的有效数据。 中位值滤波法和算术平均值滤波法结合起来使用,滤波效果会更好。 (3)限幅滤波法 由于大的随机干扰或采样器的不稳定,使得采样数据偏离实际值太远,为此仅采用上、下限限幅。 |

即同相端和反相端近似短路,但
而不等于0,而
接地,故称反相输入端“虚地”虚地的存在时反相放大器闭环工作的重要特征。反相放大器的增益为 







,流过R的电流和流过C的电流相等,即
,所以 
经电容加到反馈输入端,根据理想模型,有











