|
1、技术指标 (1)测量电压的频率范围 20Hz~1MHz (2)交流电压的测量范围 100μV~300V 分十一个量程 1mV 、3mV、10mV、30mV、100mV、300mV、1V、3V、10V 、30V、100V、300V。 (3)基准条件下的电压固有误差 小于等于±3% (4)基准条件下的频率影响误差 20Hz~10KHz、±5% 100KHz~1MHz、±10% (5)仪器的输入阻抗 在1KHz时输入电阻大于1MΩ (6)输入电容 1mV~0.3V、约70F 1V~300V、约50F
2、原理 DA16系统框图,如图1所示:

图1 DA16系统框图
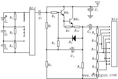
(1)分压器 DA-16晶体管输入回路电路原理图,如图2所示:

图2 DA-16晶体管输入回路电路原理图 |
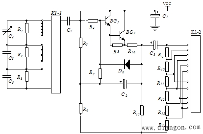
(2)射极输入器 DA-16晶体管输入回路电路原理图,如图3所示:

图3 DA-16晶体管输入回路电路原理图
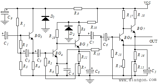
(3)放大器 DA-16晶体管放大回路电路原理图,如图4所示:

图4 DA-16晶体管放大回路电路原理图
(4)检波电路 检波指示电路原理图,如图5所示:

图5 检波指示电路原理图
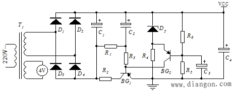
(5)稳压电源 电源电路原理图,如图6所示:

图6 电源电路原理图
(6)显示 采用指针式电表指示
3、使用说明 (1)毫伏表表面应垂直放置。 (2)接通电源,指示灯亮,电表指针会摆动数次,将输入线短接,校正调零旋钮,使指针在零位置,即可进行测量。 (3)测量前,将测量范围放置适当的档级,以免过载太大烧坏晶体管。 (4)所测交流电压中的直流分量不得大于300V。 (5)由于本仪器灵敏度较高,使用时必须正确选择接地点,以免造成错误测试。 (6)用本表测量市电,相线接输入端,中线接地,不应反接,测量36V以上的电压,注意机壳带电。 | |