机电一体化系统模拟信号的检测
时间:2023-03-14来源:佚名
|
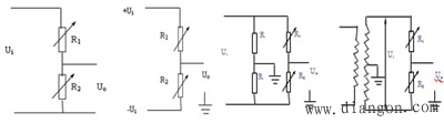
检测系统是机电一体化系统的一个重要组成部分,将机电一体化系统自身的、作业对象的、作业环境的工作状态参数进行检测,并将检测到的状态参数从物理变化量变为电信号,提供给信息处理及控制系统,以有效的控制机电一体化系统执行机构的动作。 机电一体化系统检测系统实质: ![]() 检测系统组成原理如下图: ![]() 传感器的作用:用于检测各种物理量(如位移、速度、角度、力、力矩、压力、温度等),并转化为电量信号(如电压、电流、电容、电感)输出; 信号处理电路的作用:将传感器输出的电量变成具有一定功率的电压、电流或频率信号,以推动后级的显示电路、数据处理电路等; 数据处理装置:用来对测量结果处理、计算、分析,数据处理信号通常送到执行机构或显示器中去,以控制被控对象及显示处理的各种数据。 检测系统的基本要求: (1)精度、灵敏度、和分辨率高 (2)线性、稳定性、和重复性好 (3)抗干扰能力强 (4)静、动态特性好 (5)传感器及其检测系统的特殊要求:体积小、重量轻、价格便宜、便于安装与维修、耐环境性能好等 检测系统的任务、方法和步骤 (1)任务分析 (2)方案选择 (3)系统构成框图设计 (4)环节设计与制造环节设计 (5)总装调试及实验分析 (6)系统运行及考核 检测系统传感器的功能为敏感作用和变换作用。其输出信号有电压、电流、频率、脉冲等不同的形式。 传感器按照工作原理分为物理型传感器和结构型传感器。 传感器的选用原则:传感器千差万别,测量同一种测定量,可以采用不同工作原理的传感器,注意以下几个方面: 测量条件:测量的目的;测定量的选定;测量的范围;输入信号的带宽;要求的精度;测量所需时间等 传感器的性能:精度;响应速度;稳定性;模拟还是数字信号;输出量及电平;被测对象特征的影响;校准周期;过载输入保护等 传感器的使用条件:放置的场所;环境(温度、湿度、振动);测量的时间(寿命周期);传输距离;与设备连接方式;供电电源;价格 电阻、电容、电感、压电、磁电、热电式等传感器输出模拟信号,其检测系统如图示: ![]() 振荡器用于对传感器信号“调制”,以提高输出信号的抗干扰能力;并对“解调” 提供参考信号,“解调”是使信号恢复原有形式。有的传感器可不进行调制与解调,直接阻抗匹配、放大、滤波等。 一、基本转换电路 分压电路 ![]() 常用分压电路 图a是最简单的分压电路,用于将传感器的阻抗变化转换成输出电压的变化。该电路的输出电压 为:![]() 图b是一种串联谐振式分压电路,函数关系为: ![]() 图c是一种桥式差动电路,主要用于直流电桥中,两个阻抗元件Z的中点接地,构成对称供电形式。当传感器处于平衡位置时,输出电压为零;当传感器失衡后,输出电压为 ![]() 图d采用变压器配成桥式差动电路,通过具有中间抽头的变压器二次线圈对传感器的一对差动阻抗对称供电,其输出电压与传感器阻抗变化关系为 ![]() 差动电路 ![]() 常用差动电路 图a利用传感器的一对差动阻抗 和 构成分压器,在平衡状态 被测量发生变化时,传感器阻抗也随之变化,设变化量为 ,则 ![]() 图b采用对称电源供电,在传感器处于平衡位置时,电路输出为零;当传感器失衡后,输出电压与阻抗的变化成正比,即 ![]() 图c是一种桥式差动电路,主要用于直流电桥中,两个阻抗元件Z的中点接地,构成对称供电形式。当传感器处于平衡位置时,输出电压为零;当传感器失衡后,输出电压为 ![]() 图d采用变压器配成桥式差动电路,通过具有中间抽头的变压器二次线圈对传感器的一对差动阻抗对称供电,其输出电压与传感器阻抗变化关系为 ![]() 调频电路 图a是一种适用于电容式传感器的调频电路。由传感器电容C和标准电感L构成谐振电路并接入振荡器中,振荡器输出信号的频率随传感器电容C的变化关系为 ![]() ![]() 图b是一种将传感器的电容C或电阻R的变化转换成输出电压U0的脉冲宽度变化的电路。工作原理:电源U通过R对C充电,当C上的充电电压超过参考电压时,比较器翻转,使 发生阶跃变化,同时通过开关控制电路控制开关S使C放电。输出信号 的脉宽B随电容C或电阻R的变化而变化,即![]() ![]() 二、信号放大电路 减小噪声方法: 压缩放大器带宽,滤除通带以外的各种噪声信号 减小信号源电阻,并尽量使其与放大器的等效噪声电阻相等,以实现噪声阻抗匹配 选用低噪声放大器件,以减少噪声的产生 减少接线电缆电容的影响及各种干扰因素的影响 提高稳定性方法: 采用具有高稳定度的无源元件或引入直流负反馈来稳定静态工作点 采用集成运算放大器及深度负反馈来稳定放大倍数 采用电容和电阻进行相位补偿,以消除由寄生电容或其它寄生耦合所引起的自激振荡 妥善接地与屏蔽,以减少寄生电容、寄生耦合等因素的影响 采取散热与均热措施,以保证温度稳定,减小热漂移 高输入阻抗放大器 右图为同相输入放大器,其输出电压 和输入阻抗Z分别为![]() 三、信号的调制与解调 所谓调制就是利用缓变信号来控制高频振荡的过程,即是人为地产生一个高频信号(它由频率、幅度、相位三个参数而定),使这个高频信号的三个参数中的一个,随着需要传输的信号的变化而变化。这样,原来变化缓慢的信号,就被这个受控制的高频振荡信号所代替,进行放大和传输,以期最好的放大和传输效果。 所谓解调是从已被放大很输出的,且有原来信号信息的高频信号中,把原来信号取出的过程。 调制的过程有三种: 高频振荡的幅度受缓变信号控制时,称为幅值调解,以AM表示。 高频振荡的频率受缓变信号控制时,称为频率调制,以FM表示。 高频振荡的相位受缓变信号控制时,称为相位调制,以PM表示。 并称控制高频振荡的缓变信号为调制信号;载送缓变信号的高频震荡为载波;已被缓变信号调制的高频震荡称为调制波,调制波相应地有调幅波、调频波和调相波三种,常见的是调幅和调相两种。 四、滤波器 经传感器转换和放大后的电信号,由于测量现场的电磁干扰,传感器本身以及放大电路等的影响,往往含有多种频率成分的噪声信号,严重情况下,这种噪声信号会淹没代提取的有用信号,造成系统无法获取被测信号。在这种情况下,需采取滤波措施,将不需要的杂散信号抑制掉,使系统的信噪比(S/N)增加,完成这种功能的电路称为滤波电路,或将具有这一功能的组件称为滤波器。 滤波器的作用是选出有用的频率信号,抑制杂散的无用频率信号,使一定频率范围内的信号通过,衰减很少(使用有源滤波器还可使信号放大),而在此频率范围外的信号衰减很大,从而提高系统的信噪比。通常称可以通过的频率范围为通带,不能通过的频率范围为阻带,通带与阻带的界限频率为截至频率,其频率特性用Q值来衡量,Q值越高,即灵敏度越高,频率选择特性越好,通带越窄。其中 ,Q为品质因数,f0为固有频率,B为频带宽度。按滤波器是否使用有源器件(放大器)来分,可分为无源滤波器和有源滤波器两大类。 (1)无源滤波器 无源滤波器是指用无源器件如电感(L)、电容(C)和电阻(R)组成的滤波电路,如图8即为一最简单的RC低通滤波器电路,其传递函数为 |它随输入信号频率的增高而幅值呈下降趋势。 (2)有源滤波器 有源滤波器是指利用放大器、电阻和电容等组成的滤波电路,在低频(<=1MHz中使用,比无源滤波器有更优越的性能。 由于滤波器的频率选择电路,只允许通过带内的频率通过,因而按通带来分,滤波器可分为低通、高通、带通、带阻和全通五类。 ① 低通滤波器 低通滤波器的功能是:让直流到指定截至频率的低频分量顺利通过,而使高频分量受到很大的衰减,理想的低通滤波器的幅频特性如下图(a),其中ωc为截止频率;但这种幅频特性实际上是无法实现的,下图(c)为实际的一种低通滤波器的幅频特性,该低通滤波器的通带为0≤ω≤ωc。 ![]() ② 高通滤波器 高通滤波器的功能是:让高于指定频率 的频率分量顺利通过,而使自直流到指定阻带频率 的频率分量受到衰减;同样,与低通滤波器的情况类似,没有理想的幅频呈跃式的高频滤波器下图(b)为某一实际的高通滤波器的幅频特性曲线。理论上来讲,高通滤波器在ω=∞处也应是通带,但实际上由于寄生参数的影响以及有源器件带宽的限制,当频率增高到一定值,幅值也将下降。![]() ③ 带通滤波器 带通滤波器的功能是:让有限带宽( )内的频率分量顺利通过,而且此频率范围处的其他频率分量衰减如下图。带通滤波器有两个阻带,一般并不要求上下两个阻带衰减特性相同,既可以不对称,不过一般对称的带通滤波器较易设计。![]() ④ 带阻滤波器 带阻滤波器的作用是:抑制某个频率范围的频率分量,使其衰减,而让此频率带外的频率分量顺利通过,幅频特性对称的带阻滤波器因而也被称为“陷波”器。 ![]() |




为:




和
构成分压器,在平衡状态
被测量发生变化时,传感器阻抗也随之变化,设变化量为
,则 








,Q为品质因数,f0为固有频率,B为频带宽度。
|
的频率分量顺利通过,而使自直流到指定阻带频率
的频率分量受到衰减;同样,与低通滤波器的情况类似,没有理想的幅频呈跃式的高频滤波器下图(b)为某一实际的高通滤波器的幅频特性曲线。理论上来讲,高通滤波器在ω=∞处也应是通带,但实际上由于寄生参数的影响以及有源器件带宽的限制,当频率增高到一定值,幅值也将下降。
)内的频率分量顺利通过,而且此频率范围处的其他频率分量衰减如下图。带通滤波器有两个阻带,一般并不要求上下两个阻带衰减特性相同,既可以不对称,不过一般对称的带通滤波器较易设计。








