PWM整流电路的控制
时间:2023-03-14来源:佚名
|
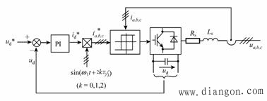
为使PWM整流电路获得输入电流正弦且和输入电压同相位的控制效果,根据有无电流反馈可将控制方式分两种:间接电流控制和直接电流控制。间接电流控制没有引入电流反馈,其动态特性差,较少应用。直接电流反馈则通过运算求出交流输入电流参考值,再采用交流电流反馈来直接控制输入电流,使其跟踪参考值,获得期望的输入特性。
图1 直接电流控制系统结构框图 图1给出了一种最常用的电流滞环比较直接电流控制系统结构框图。这是一个双闭环控制系统,外环为直流电压控制环,内环为交流电流控制环。直流电压给定 这种采用滞环电流比较的直接电流控制系统结构简单,电流响应快,控制运算与电路参数无关,鲁棒性好,因而应用较多。 |



















