集成计数器的功能扩展
|
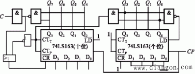
中规模集成计数器有总清零端、置数端、数据输入端、进借位输出端,扩展控制端等,利用这些端可以把中规模集成计数器连接成各种进制的计数器。 1. 用清零法实现功能扩展 基本想法:在正常计数时,清零端 具体步骤如下: (1)确定N进制计数器的SN代码; (2)利用SN代码,求 方法:低电平清零时, (3)按表达式画出电路图;必须十分注意:同步清零时,表达式应取SN-1状态中取值为1的各Q连乘。 例:试用清零法将74LS217型十进制可逆计数器连接成一个六进制加法计数器。 解:分析可知,74LS217为异步高电平清零,连接成加法计数模式,8421BCD码加法计数时的S6=Q3Q2Q1Q0=0110,所以,清零控制端的逻辑关系为:CR=Q2Q1。 电路图: ![]() 2. 用置数法实现功能扩展 该方法的基本思路:计数器可以从0…0开始计数,也可从某一个数据开始计数,而0 …0或某个数据可以从数据输入端预置入计数器,然后开始计数。 方法:(1)画出计数器的状态转换图; (2)将状态转换图中的最小数从预置数输入端输入,最大数的状态作置数控制,求出置数控制端LDfei或LD的逻辑函数; 低电平置数控制时: (3)按表达式画出电路图; 必须十分注意:异步置数时,置数控制表达式应取最大数加1的计数状态中各Q连乘。 例:试用置数法将74LS217双时钟可逆计数器连接成一个六进制减法计数器。 解:分析:74LS217是双时钟的BCD码计数的可逆计数器,异步高电平清零,异步低电平置数,减法时应连接成减法计数模式;六进制减法计数器时的状态转换图为: 从状态图可得:初态0101应从D3D2D1D0置入,控制逻辑用0000,但是在减法计数时,0000减1首先出现1001,所以应该用 Q3Q2Q1Q0=1001作为置数控制。(1001作为一个过度状态)故有: ![]() 利用74LS217的进位输出实现的六进制减法计数: ![]() 3. 大容量计数器的连接 大容量是指几十进制以上的计数器。连接原则:用小容量计数器串联实现;M(大容量)=M1×M2×……,如60进制计数器可用一个6进和一个10进制计数器串联构成,即60=6×10。拾位计数器为6进制,个位计数器为10进制。 连接方法: ![]() 同步式的100进制计数器:拾位10进制用清零法实现,个位10进用置数法实现。 ![]() 当个位尚未计到1001前,拾位计数器的CTP、CTT为低电平,拾位计数器不计数。当个位计到1001时,拾位的CTP、CTT为1,而下一个计数脉冲CP来到后,拾位计一个1,个位计数器回到0000,然后又封锁拾位计器,只有个位计数,如此经过10 次反复循环,得到100进制。 ![]() 异步式的100进制计数器:74LS163是同步清零、置数,上升沿触发。 ![]()
拾位和个位的翻转情况如图所示: ![]() |
或CR应在高电平(或低电平),当计到某个数据时(人为设定),清零端变低电平,然后又回到高电平,计数器重新开始计数。
;高电平清零时,
。式子表示SN代码中取值为1的各Q的连乘。
;高电平置数控制时:
。






拾位的CP脉冲图如下:
。






