可编程增益放大器PGA(程控放大器)
时间:2023-03-14来源:佚名
|
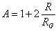
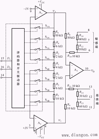
在数据采集系统中,需要有多通道或多个参数共用一个测量放大器。如有一个四通道的数据采集系统,四个通道的信号各不相同,分别为 可编程放大器种类很多,有单运放、多运放和仪用程控放大器等,又可分模拟式和数字式等(从输出信号讲)。 1. 仪用可编程增益放大器 ![]() 它的增益方程为: RG由程序控制来改变,从而改变增益。请思考如何用数字电路的方法来实现电阻RG的改变?如PGA200/201为四级仪用放大器,有16种增益;PGA102为3级可编程增益放大器,8种增益控制;PGA100为8级可编程增益放大器; 2. 单片集成程控放大器LH0084 特点:高速、高精度数字程控仪用放大器。增益精度0.05%,非线性度0.01%,增益漂移 其内部电路图如图所示: ![]() 增益控制表见教材,共有12种增益(1、2、5、10、4、8、20、40、10、20、50、100)。它是如何用数字信号来控制放大器的增益的,从中得到启发。 |
,几十
,V的数量级,要放大到A/D转换器标准的输入电压大小。因此,计算机在选定通道号的同时,也应选定对应通道的增益要求,以实现自动增益控制和自动量程切换的测量要求,所以,程控放大器在电子测量和智能化仪器仪表中得到广泛应用。

,输入阻抗
Ω,CRM=70dB。






