交-交变频器倍频电路
|
交-交变频器除了可以输出低频交流电源外,还可以有比电网频率更高的交流输出,以应用于感应加热等场合。本文以三倍电网频率的倍频器加以说明。
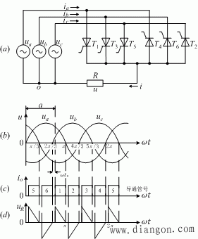
三倍增频器 图1(a)为三相-单相三倍增频器的原理图,其负载为电阻。正组变流器由T1、T3、T5组成,负组由T2、T4、T6组成。
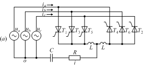
该倍频器通过相位控制调节其输出,当电网电压过零时,原来导通的晶闸管自然关断。图1(b)为电源电压波形,其控制相位角为a,即每个晶闸管从其对应的相电压零点向后a角度时开始导通,直到下一个过零点关断。三相电源在一个周期内共有六个过零点,分别对应六只晶闸管的关断时间,图1(c)为T1 ~ T6的触发脉冲及其相应的被触发导通的管号,由于每个电源周期中有六个触发脉冲,任何瞬间只有一个晶闸管被触发导通,因此可以获得三倍频率的输出,如图1(d)所示。这种电路采用电网换流,所以只能获得整数倍的输出频率。 在三倍增频器中,正、负两组整流器轮流导通、关断,分别流过负载电流中的正电流和负电流,而轮流导通的时间间隔t0应大于晶闸管的关断时间,以免造成正、负中晶闸管同时导通而引起电源短路,因此其最大导通角为 p/3-wt0 。一般说来,增频的倍数越大,则输入端的功率因数越低,晶闸管的利用率也越低。 负载换流的倍频器 交-交变频器除了可以采用电源换流外,也可以采用负载换流方法,其前提条件是负载具备了RLC串联谐振条件,因而此类倍频器的输出频率可以是电源频率的非整数倍。图2(a)所示即为负载换流的倍频器,其中正负两组整流器的输出电路里各串有一电感L,构成振荡电路,同时L也有利于限制晶闸管上的电压上升率。
在负载换流的倍频器中,通过正、负组整流器的交替导通,可以在负载上得到交变的输出电流波形,如图2(c)所示。例如当正组整流器中的T1导通时,电源ua通过T1与R、L、C形成谐振,在负载R中产生正向的谐振电流,其波形为有衰减的正弦。在谐振半个周期后,晶闸管T1因 iT1 < 0而自然关断。经过一段死区时间后,触发负组整流器中某一晶闸管导通,从而在RLC电路中再次产生谐振,形成负向的负载电流,在谐振过零时导通的晶闸管自然关断。 通过正、负组的交替导通及RLC的谐振作用,负载换流的倍频器可以输出高于电源频率的交流电流。在正、负组之间留有一定的死区时间,以保证晶闸管的可靠关断,若忽略死区时间,可以认为倍频器的输出频率约等于谐振频率。 |












