什么是译码器?二进制基本译码器与中规模集成译码器
|
将具有特定含义的二进制码转换成对应的输出信号称为译码器。 用一个二进制代码表示特定含义信息称为编码器。 一、 n位二进制代码代表的 现以右边的电路为例,输入二位代码 ![]() 特点:输入/输出一一对应每个输出是一个二变量最小项; ![]() 二、中规模集成译码器 1 .集成二进制译码器
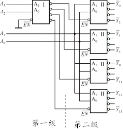
例2:用二片3/8线译码器实现4/16线译码。 ![]() ![]() 2 . 二—十进制译码器 将输入BCD码翻译成十进制十个数码的组合逻辑电路,译码后的结果用显示器显示出来,所以,又称显示译码器和码制变换译码器多种。 ![]() 1 .显示器简介
(1)点阵式显示器:要点亮某一个字形时,只要点亮这些字形的点就行。用的最多的地方是车站,机场,马路上的广告牌等。 (2)分段显示器:液晶分段式和半导体分段式两种。 ![]() 显示字形时的基本笔划: 另一种分段式液晶(LCD)显示器:低电源、低功耗,目前使用日益普遍。它利用流动性有机化合物的奇特光学特性而发光。 熟悉了译码器的工作原理和设计方法后,在今后的实际工作中,主要是能看懂电路符号和真值表,以便进行系统电路的读图和设计。所以下面介绍一片实际的中规模集成译码器的引脚排列和功能。 右图是一块经常选用的中规模集成二—十进制译码器芯片,74LS247(OC)。
三个控制端功能: ① LT灯测试控制:低电平有效,LT=0时,不管A3 ~A0状态如何, Ya~Yg输出都为低电平,共阳极七段数码都能点亮,不测试时,LT置“1”。 ② BI/RBO灭灯输入/灭零输出控制端BI=0为灭灯输入,不管A3 ~A0状态如何,Ya~Yg输出都为高电平,把共阳的七段数码管熄灭。作为灭零输出端用时,可以作为下一位的灭零输入。正常时应置高电平。 ③ RBI灭零输入端,它与RBO配合使用,熄灭不必显示的零。如有一个8位数码显示电路,整数部分5位,小数部分3位,在显示16 . 8这个数字时将呈现00016 . 800字样,如将前后多余零灭掉,则更加明了醒目。 灭零输入RBI和灭零输出RBO连接图: ![]() 译码器和显示器之间的连接应视显示器而异,下面是两种显示器分别用不同的译码器驱动时的连接图。 ![]() ![]() 因为二进制译码器的每一个输出就是一个最小项,而任何一个输出函数都可以表示为最小项之和表达式,所以,译码器配上适当的逻辑门电路就可实现各种组合电路。 ![]() |
二进制基本译码器
种特定对象还原出来的电路。电路的输入是n位二进制代码,输出为
,四个结果输出
。
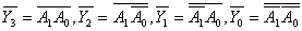
是译码器使能控制电
路是一个2/4译码器,当电路使能
,各输出端的逻辑函数式为:
。

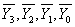
例1:请用2/4译码器组成4线/16线译码器采用分级译码的方法实现(右图所示)。


点阵式显示器分段式显示器两种(半导体,液晶)

A3~A0是四位8421BCD码输入端,Ya~Yg驱动七段数码管的七个输出,为低电平输出,是集电极开路门结构,适用于七段共阳极数码管。










