车间变电所主接线

时间:2023-03-14来源:佚名
车间变电所的主接线,一般比较简单。
1.单台变压器的车间变电所主接线
一次侧为线路--变压器组接线、二次侧为单母线不分段接线。
(1)电缆进线一次侧线路--变压器组接线、二次侧单母线不分段接线

车间变电所主接线

(2)架空进线一次侧线路--变压器组接线、二次侧单母线不分段接线

车间变电所主接线

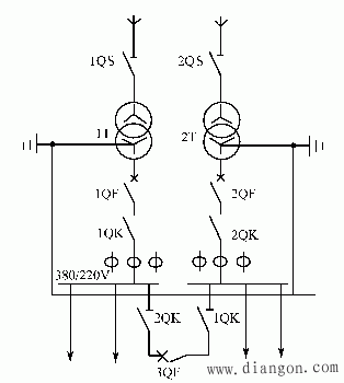
2.双回路进线两台变压器的车间变电所主接线
采用一次侧双线路-变压器组接线、二次侧单母线分段接线

车间变电所主接线

相关阅读

电工基础:为什么要提高功率因数

很多人对功率因数的概念都是一知半解的,但如果要解释清楚它,就得从数学的角度出发,那样的话,就更多人不理解了,所以,我将直接从实际出发,给大家讲讲为什么要提高功率因...
2023-06-27
电工基础:为什么要提高功率因数

建筑电气安装之电气管线敷设施工技术讲解

可挠金属电线电缆保护套管由 镀锌钢带 、 钢带 及 电工纸 双层材料卷制而成。 可挠金属电线电缆保护套管耐腐蚀性能优越,耐震动性能好,重量轻(仅为钢管重量的1/4左右),长度不...
2023-06-11
建筑电气安装之电气管线敷设施工技术讲解

电力工程 电力设计 技术人员的13张常用数据表

作为电力行业从业人员,必须熟悉各种相关规范,电力工程 电力设计 技术人员的13张常用数据表,整理如下,以供大家参考。 一、10kV高压电流互感器与低压电流互感器的配置表 二、电缆...
2024-08-21
电力工程 电力设计 技术人员的13张常用数据表

三相稳压器如何维护(稳压器怎么保养和维护)

维护" alt="稳压器维护"/> 稳压器作为电力设备,通常不需要过多的维护,但是定期的简单保养有助于延长其使用寿命和保持其稳定性能。三相稳压器 的维护对于确保其长期有效运行至关...
2023-11-04
三相稳压器如何维护(稳压器怎么保养和维护)

PLC控制系统的基本类型及适用场合

plc 控制系统有单机控制、集中控制、远程I/O控制与分布式PLC控制系统四种基本类型。 单机控制是指一个控制对象(设备、简单生产线等)采用一台PLC进行控制的情况。适用于控制对象单...
2023-03-21

热销商品

加厚abs安全帽电工建筑工地程施工领导监理透气防砸头盔可印字V型

这款加厚ABS安全帽专为电工、建筑工地施工人员、领导及监理设计,采用高强度ABS工程塑料,抗冲击、防砸性能优异,有效保障头部安全。帽体加厚设计,增强耐用性与防护等级...
5.8

欧普led筒灯3w孔灯超薄桶灯吊顶天花灯过道嵌入式洞灯客厅5w

欧普LED筒灯是一款高品质嵌入式照明产品,适用于客厅、过道、吊顶等多种场景。采用优质LED光源,提供3W和5W两种功率选择,光线柔和均匀,显色指数高,有效还原真实色彩。超...
7.45

水口钳高硬度模型剪钳电子钳工业级口水剪斜嘴钳偏口斜口专用钳子

水口钳高硬度模型剪钳是一款工业级精密工具,专为电子、模型制作及精细作业设计。采用优质高碳钢材质,经热处理工艺打造,具备卓越的硬度和耐磨性,可轻松剪切金属引脚、...
4.8

170电子剪钳II 如意斜口钳 工业斜嘴钳水口钳 模型剪塑胶钳尖嘴钳

170电子剪钳II如意斜口钳是一款专业级精密工具,集工业斜嘴钳、水口钳、模型剪、塑胶钳与尖嘴钳功能于一体,适用于电子维修、模型制作、手工艺及精密作业。其采用优...
4.5

安全帽国标工地加厚施工领导透气安全头盔建筑工程监理免费印字

本款安全帽严格遵循国家GB 2811-2019标准,专为建筑工程、工地施工及监理人员设计。采用高强度ABS工程塑料,加厚壳体有效抗冲击,保障头部安全。帽体轻盈透气,内置可调...
10

网站栏目