数字式万用表测量电路原理
|
1、概述
图1 数字万用表系统框图 2、测量电路原理
图2 7106的芯片引脚图 (1)直流电压测量电路 直流电压档电路原理图,如图3所示:
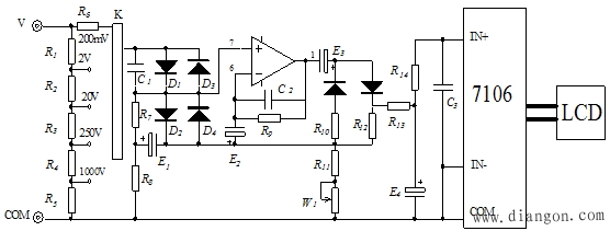
图3 直流电压档电路原理图 (2)交流电压测量电路
图4 交流电压档电路原理图 (3)直流电流测量电路
图5 直流电流档电路原理图 (4)电阻测量电路
图6 电阻档电路原理图 3、技术指标DT-830 表1 DT830数字万用表技术指标
4、使用及维修说明 |
|
1、概述
图1 数字万用表系统框图 2、测量电路原理
图2 7106的芯片引脚图 (1)直流电压测量电路 直流电压档电路原理图,如图3所示:
图3 直流电压档电路原理图 (2)交流电压测量电路
图4 交流电压档电路原理图 (3)直流电流测量电路
图5 直流电流档电路原理图 (4)电阻测量电路
图6 电阻档电路原理图 3、技术指标DT-830 表1 DT830数字万用表技术指标
4、使用及维修说明 |









