大中型企业都设置总降压变电所,将35~110kV电源电压降至6~10kV后, 分配给各车间变电所。 1. 单电源进线的总降压变电所主接线 (1)一次侧线路—变压器组、二次侧单母线不分段主接线 总降压变电所为单电源进线一台变压器时,主接线采用一次侧线路—变压器组、 二次侧单母线不分段接线, 又称一次侧无母线、二次侧单母线不分段主接线。 这种主接线经济简单,可靠性不高,适用于负荷不大的三级负荷情况。
 线路-变压器组主接线 (2)一次侧单母线不分段、二次侧单母线分段主接线

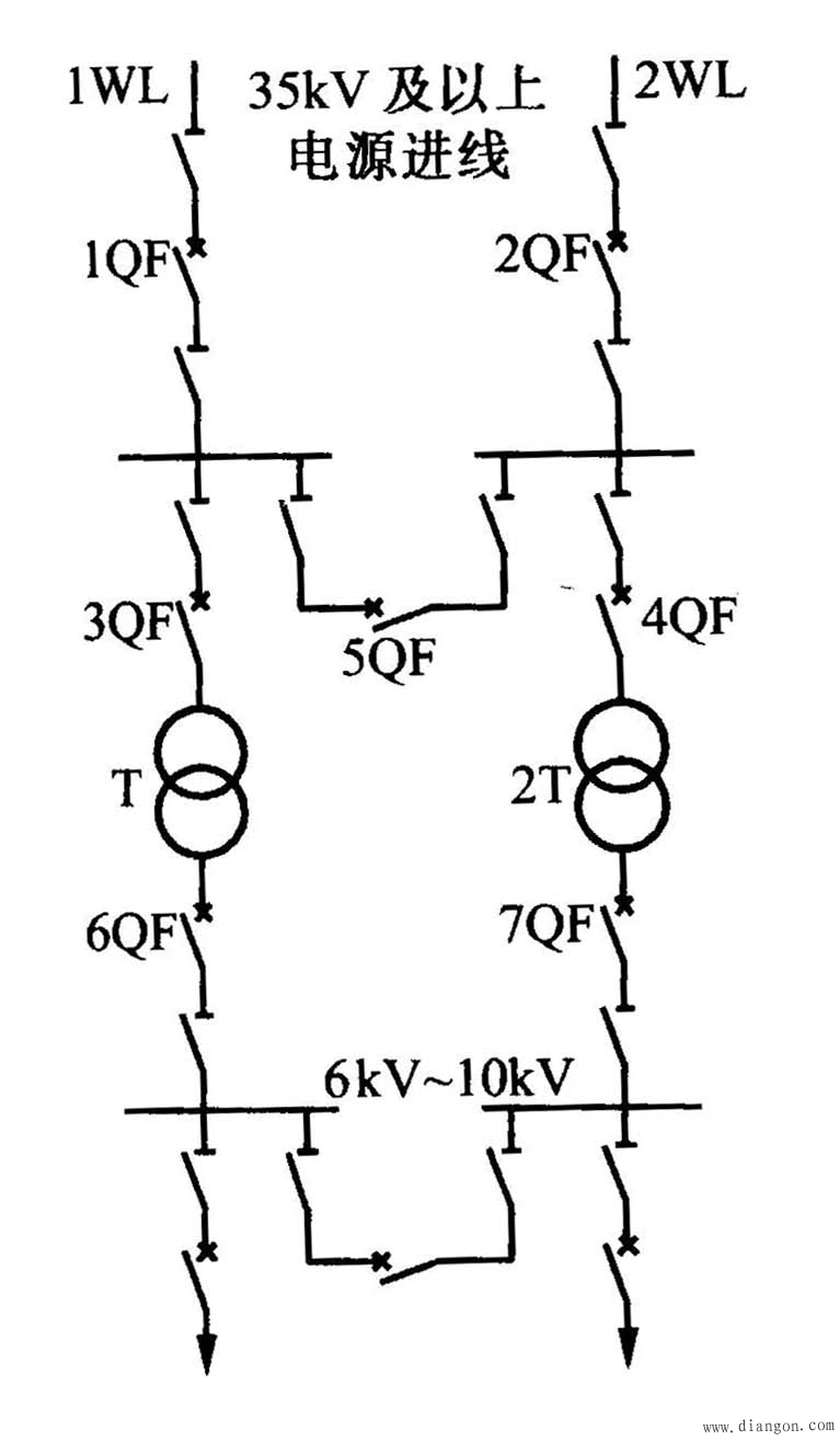
单电源进线两台变压器时,总降压变电所主接线采用一次侧单母线不分段、 二次侧单母分段接线。提高了供电可靠性,但单电源供电的可靠性不高,因此 这种接线适用于负荷昼夜变化大三级负荷及部分二级负荷。 2. 双回电源进线总降压变电所主接线 由于采用双回电源进线,总降压变电所主变压器一般都在两台或两台以上。 (1)一二次侧均采用单母分段主接线 由于进线开关和母线分段开关均采用了断路器控制,操作十分灵活,供电可靠性 较高,适用于大中型企业的一、二级负荷供电。
 双电源单母分段主接线 (2)内桥式主接线 这种主接线大大提高了供电的可靠性和灵活性。适用于大中型企业的一、二级负荷供电。 内桥式接线适用于以下条件的总降压变电所: ①供电线路长,线路故障几率大; ②负荷比较平稳,主变压器不需要频繁切换操作; ③没有穿越功率的终端总降压变电所。

内桥式主接线 (3)外桥式主接线 外桥式接线的优点:对变压器回路的操作非常方便、灵活,供电可靠性高, 适用于有一、二级负荷的用户或企业。 外桥式接线适用于以下条件的总降压变电所: ①供电线路短,线路故障几率少; ②用户负荷变化大,变压器操作频繁; ③有穿越功率流经的中间变电所,因为采用外桥式接线,总降压变电所 运行方式的变化将不影响公共电力系统的潮流。
 外桥式主接线
|