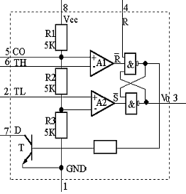
1.555定时器的工作原理。 555定时器是一种数字与模拟混合型的中规模集成电路,应用广泛。外加电阻、电容等元件可以构成多谐振荡器,单稳电路,施密特触发器等。 555定时器原理图及引线排列如图1所示。其功能见表1。定时器内部由比较器、分压电路、RS触发器及放电三极管等组成。分压电路由三个5K的电阻构成,分别给A1和A2提供参考电平2/3VCC和1/3VCC。A1和A2的输出端控制RS触发器状态和放电管开关状态。当输入信号自6脚输入大于2/3VCC时,触发器复位,3脚输出为低电平,放电管T导通;当输入信号自2脚输入并低于1/3VCC时,触发器置位,3脚输出高电平,放电管截止。 4脚是复位端,当4脚接入低电平时,则V0=0;正常工作时4接为高电平。 5脚为控制端,平时输入2/3Vcc作为比较器的参考电平,当5脚外接一个输入电压,即改变了比较器的参考电平,从而实现对输出的另一种控制。如果不在5脚外加电压通常接0.01μF电容到地,起滤波作用,以消除外来的干扰,确保参考电平的稳定。
|
|
|
|
图1 555定时器内部框图 |
图2 555定时器引脚排列 |
表1 555定时器的功能表
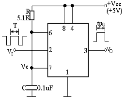
 2.典型应用 (1)构成单稳态触发器 电路如图2所示,接通电源→电容C充电(至2/3Vcc)→RS触发器置0→V0=0,T导通,C放电,此时电路处于稳定状态。当2加入VI<1/3Vcc时,RS触发器置1,输出V0=1,使T 截止。电容C开始充电,按指数规律上升,当电容C充电到2/3Vcc时,A1翻转,使输出V0=0。此时T又重新导通,C很快放电,暂稳态结束,恢复稳态,为下一个触发脉冲的到来作好准备。其中输出V0脉冲的持续时间tw=1.1RC,一般取R=1kΩ--10MΩ,C>1000PF,只要满足VI的重复周期大于tp0 ,电路即可工作,实现较精确的定时。
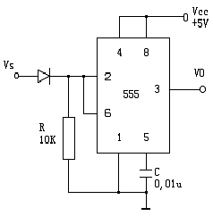
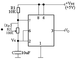
(2) 多谐振荡器 电路如图4所示,电路无稳态,仅存在两个暂稳态,亦不需外加触发信号,即可产生振荡(振荡过程自行分析)。电容 C在1/3Vcc--2/3Vcc之间充电和放电,输出信号的振荡参数为: 周期 T=0.7 C(R1 2R2) 频率 f=1/T=1.44/(R1 2R2)C, 占空比 D=( R1 R2 )/( R1 2R2)。 555电路要求R1与R2 均应大于或等于1kΩ ,使R1 R2 应小于或等于3.3MΩ。 (3)密特触发器 电路如图4所示。Vs为正弦波,经D半波整流到555定时器的2脚和6脚,当Vi上升到2/3Vcc时,V0从1→0;Vi下降到1/3Vcc时,V0又从0→1 。电路的电压传输特性如图5所示。 回差电压:ΔV=1/3Vcc.
|