双闭环直流调速系统的动态特性

时间:2023-03-14来源:佚名
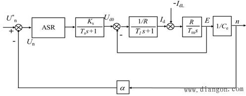
一、双闭环直流调速系统动态数学模型
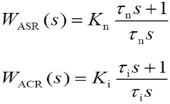
在单闭环直流调速系统动态数学模型的基础上,考虑双闭环控制的结构,即可绘出双闭环直流调速系统的动态结构图。其中,转速调节器和电流调节器的传递函数W ASR(s)和W ACR(s)均采用PI调节器:
双闭环直流调速系统的动态特性
则得系统动态结构如下图所示。
系统动态结构:
双闭环直流调速系统的动态特性
双闭环调速系统的动态结构图

二、突加给定起动过程分析
前已指出,设置双闭环控制的一个重要目的就是要获得接近理想起动过程,因此在分析双闭环调速系统的动态性能时,首先分析它的起动过程。
双闭环直流调速系统突加给定电压U* n由静止状态起动时,其系统状态:
U n*=0,U i=0,U ct=0,
n =0 ,U i*=0,U d0=0。
当输入一阶跃信号时,系统进入起动过程。
1. 起动过程波形分析
分析起动过程:
按照ASR由不饱和→饱和
饱和→退饱和
这一过程是由电流调节→转速调节。
三个阶段(如图所示):
①未饱和→饱和 I(t=0~t1)
②饱和 Ⅱ(t=t1~t2)
③退出饱和 Ⅲ(t=t1~t2)
双闭环调速系统起动时的转速和电流波形

双闭环直流调速系统的动态特性
(1)第I阶段 ASR由未饱和→饱和(0 ~ t1)
—电流上升阶段
突加U n* → ΔU n=U n*-U n≈U n*很大→ASR
迅速饱和→U i*= U im* →Uct↑→Ud0↑→I d↑迅速上升。
当 I d ≥ I dL 后→n开始↑(缓慢。这由于机电惯性作用,转速不会很快增长)→ 当t=t1,
I d↑≈I dm,此时ASR的输入偏差电压ΔU n的值仍较大, 保持U i= U im* 。如下图所示。
双闭环直流调速系统的动态特性

本阶段:ASR由不饱和迅速饱和(U n增长慢)。
ACR不饱和(U i增长快)。
(2)第Ⅱ阶段 ASR饱和(t1~ t2)—恒流升速阶段
①转速环开环 ②电流环起主导作用
这时,I d=I dm,可能继续↑(取决ACR的结构和参数) →U i> U im* →ΔU i=反号→U ct↓→U do↓→
I d↓≈I dm(I d略低于I dm)且维持→n↑(直线)。
U do ↑= id R C e n↑ L did/dt

Uct ↑
n↑→U do↑→U ct↑
ΔU i=U im*-U i=常数,以维持U ct↑

双闭环直流调速系统的动态特性

ACR调节作用、ASR饱和,Uct和Udo 线性增长,Id略小于Idm。
(3)第 Ⅲ 阶段 ASR退饱和( t2 ~t4)
当t=t2,ΔU n=0
(n= n*)→ASR仍饱和→U i≈ U im*
→I d≈I dm>I dL
→n↑> n* (超调)
→ΔU n=反号
→ U i*↓ → I d ↓>I dL,n↑。

双闭环直流调速系统的动态特性
第 Ⅲ 阶段 (续)
当 t=t3,I d = I dL
→T e= T L
→ dn/dt = 0,转速n才到达峰值。
此后,电动机开始在负载的阻力下(t3~t4)
→I d < I dL → n ↓
双闭环直流调速系统的动态特性
第 Ⅲ 阶段 (续)
当 t=t4,n ↓ →n* 进入稳态(如果调节器参数整定得不够好,转速n可能会经过几次振荡,但转速环会进行调节)。
U n = α n* =U n*
U i*= U I = β I dL
双闭环直流调速系统的动态特性

2. 双闭环调速系统的起动过程的特点
(1) 饱和非线性控制(或称变结构控制)
根据ASR的饱和与不饱和,整个系统处于完全不同的两种状态:
当ASR饱和时,转速环开环,系统表现为恒值电流调节的单闭环系统,ASR输出的限幅值,使起动过程中电流不超过允许的最大电流,且恒定;
当ASR不饱和时,转速环闭环,整个系统是一个无静差调速系统,而电流内环表现为电流随动系统。
(2)转速超调
由于采用 PI 调节器作为ASR(转速调节器)实现了饱和非线性控制,起动过程结束进入转速调节阶段后,必须使转速超调, ASR 的输入偏差电压 △U n 为负值,才能使ASR退出饱和,从而真正发挥线性调节作用。
这样,采用 PI 调节器的双闭环调速系统的转速响应必然有超调。
(3)准时间最优控制
起动过程中能以所允许最大电流起动,主要表现在第II阶段的恒流升速,它的特征是电流保持恒定。一般选择为电动机允许的最大电流,以便充分发挥电动机的过载能力,使起动过程尽可能最快。
起动过程的第II阶段属于有限制条件的最短时间控制。因此,整个起动过程可看作为是一个准时间最优控制(与时间最优控制有区别,如第Ⅲ阶段)。
三、动态抗扰性能分析
一般来说,双闭环调速系统具有比较满意的动态性能。对于调速系统,最重要的动态性能是抗扰性能。主要是抗负载扰动和抗电网电压扰动的性能。
1. 动态跟随性能
在起动、升速时,由于电流环具有很快的动态跟随性能,因此,动态跟随性能双闭环调速系统比单闭环强得多(电流环保证最大电流起动)。
在停车、减速时,由于是不可逆的电力电子变换器,不能产生回馈制动,在制动时,当电流下降到零以后,只好自由停车(靠负载阻力停车),因此动态跟随性能变差。
设计双闭环调速系统,要求电流内环应具有良好的跟随性能。
2. 动态抗扰性能
① 抗负载扰动

双闭环直流调速系统的动态特性
直流调速系统的动态抗负载扰作用
② 抗电网电压扰动
双闭环直流调速系统的动态特性
直流调速系统的动态抗扰作用
a)单闭环系统
双闭环直流调速系统的动态特性
b)双闭环系统

△U d—电网电压波动在整流电压上的反映
由动态结构图知:电网电压扰动在电流环之内,电压扰动尚未影响到转速前就已经为电流环所抑制。因而双环系统中电网电压扰动引起的动态速降(升)比单环小得多。

双闭环直流调速系统的动态特性

因此,电网电压扰动由电流环起调节作用。
四、两个调节器的作用
综上所述,转速调节器和电流调节器在双闭环直流调速系统中的作用可以分别归纳如下:
1. ASR的作用
(1)转速调节器是调速系统的主导调节器,它使转速 n 很快地跟随给定电压变化,稳态时可减小转速误差,如果采用PI调节器,则可实现无静差。
(2)对负载变化起抗扰作用。
(3)其输出限幅值决定电机允许的最大电流。
(4)变结构,实现非线性控制。
2. ACR的作用
(1)对电网电压的波动起及时抗扰的作用。
(2)在外环转速的调节过程中,使电流紧紧跟随其U i*快速变化,并无静差。
(3)在转速动态过程中,保证获得电机允许的最大电流,从而加快动态过程,实现准时间最优控制。
(4)当电机过载甚至堵转时,限制电枢电流的最大值,起快速的自动保护作用。一旦故障消失,系统立即自动恢复正常。这个作用对系统的可靠运行来说是十分重要的。

    热销商品

    加厚abs安全帽电工建筑工地程施工领导监理透气防砸头盔可印字V型

    这款加厚ABS安全帽专为电工、建筑工地施工人员、领导及监理设计,采用高强度ABS工程塑料,抗冲击、防砸性能优异,有效保障头部安全。帽体加厚设计,增强耐用性与防护等级...
    5.8

    水口钳高硬度模型剪钳电子钳工业级口水剪斜嘴钳偏口斜口专用钳子

    水口钳高硬度模型剪钳是一款工业级精密工具,专为电子、模型制作及精细作业设计。采用优质高碳钢材质,经热处理工艺打造,具备卓越的硬度和耐磨性,可轻松剪切金属引脚、...
    4.8

    170电子剪钳II 如意斜口钳 工业斜嘴钳水口钳 模型剪塑胶钳尖嘴钳

    170电子剪钳II如意斜口钳是一款专业级精密工具,集工业斜嘴钳、水口钳、模型剪、塑胶钳与尖嘴钳功能于一体,适用于电子维修、模型制作、手工艺及精密作业。其采用优...
    4.5

    安全帽国标工地加厚施工领导透气安全头盔建筑工程监理免费印字

    本款安全帽严格遵循国家GB 2811-2019标准,专为建筑工程、工地施工及监理人员设计。采用高强度ABS工程塑料,加厚壳体有效抗冲击,保障头部安全。帽体轻盈透气,内置可调...
    10

    包邮三角型简易螺丝刀三角十字螺丝刀螺丝批改锥起子五金工具5mm

    这款5mm三角型简易螺丝刀,专为拧紧或拆卸三角形螺丝设计,适用于电子维修、家电维护及精密仪器装配等场景。采用优质合金钢材质,刀头硬度高、耐磨损,确保长久使用不变...
    3.64

    网站栏目