数字万用表的电阻测量电路工作原理
时间:2023-03-14来源:佚名
|
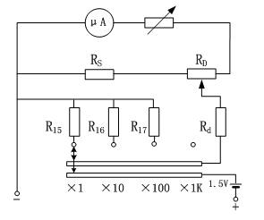
在电压不变的情况下,如果回路电阻增加一倍,则电流减少为一半。根据这个原理,可以用万用表的表头来测量电阻值。其测量原理如图1所示。把欧姆档的 、-表笔短接,此时流过表头的电流最大,调节限流电阻RD使表指针指到满刻度,断开两表笔短接,接上被测电阻则电流下降,其指示值即为被测电阻的阻值, 但欧姆刻度是不等分的倒刻度。当被测电阻等于欧姆表的R×1档的综合内阻时,指针指在表盘的中心位置。所以该中心阻值叫做欧姆表的表盘中心刻度阻值。故电阻测量时各档的中心阻值,等于表盘中心刻度阻值乘该档的倍率。
图1 电阻测量电路 数字万用表最早是采取恒流法,再配合运算放大器来实现Ω/ V转换。而现在大多采用比例法来测量电阻,这样可降低基准电压的要求。其工作原理如图2所示。图中被测电阻
图2 数字万用表的电阻测量电路 RX与基准电阻R0串联后接在V 与COM之间。V 与VREF ,VREF-与IN ,与IN-与COM两两相通。利用A/D转换器的基准电压源V ,向RX和 R0提供测试电流I。R0上的压降VR0兼作基准电压,RX上的压降VRX作为输入电压VIN,有关系式: 当RX=R0时显示值为1000,RX=2R0时显示满量程。利用选择开关改变基准电阻R0的数值,就构成了多量程的电阻测量电路。 |








