时序脉冲分配器的使用方法及其应用
时间:2023-03-14来源:佚名
|
1.脉冲分配器可以由计数器和译码器组成。他的作用是产生多路顺序脉冲信号。输入系列脉冲,经二进制计数器和译码器之后,输出2n路顺序脉冲输出。如图1所示。
2. CC4017和CC4022分配器
表1 CC4017与 CC4022真值表
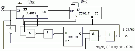
CC4017应用非常广泛,可用于十进制计数、分频以及实现1/N计数(如果N=2 ~ 10只需一块芯片,N>10可用多块芯片级连)。图(4)为60分频电路。电路连接方式为:芯片(1)的CP脉冲作为输入端, 接芯片(2)的CP端,从芯片(1)的(11)脚和芯片(2)的 第1脚(即9和5)输出到与非门,输出端同时接芯片的15脚(即R端)
3. 脉冲分配电路的设计
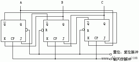
上述状态转换为六拍通电方式的脉冲环形分配器。图6为实现正转的脉冲环行分配器逻辑图。
置位、复位端加"0"之后,则,A=1,B=0,C=0,输入一个CP脉冲,则A=1,B=1,C=0,再输入CP脉冲则 A=0,B=1,C=0,依此下去即实现了步进电机的正转状态转换关系。 | ||||||||||||||||












