|
交流电源滤波器EMI-FILTER:电源网络吸收了各种高、低频噪声,对此常用LC滤波器来抑制混入电源的噪声。
 交流电源滤波器外形
 交流电源滤波器的内部电路
 图中的100H电感、0.1F电容组成高频滤波器,用于吸收从电源线传导进来的中短波段的高频噪声干扰;图中两只对称的5mH电感是由绕在同一只铁心两侧、匝数相等的电感绕组构成的,称为共模电感,用于吸收因电源波形畸变而产生的谐波干扰;图中的压敏电阻用于吸收因雷击等引起的浪涌电压干扰。 交流电源滤波器的内部电路。
 电源滤波器中的共模电感 当50Hz电流流经共模电感时,由于进线与出线产生的磁场方向相反,相互抵消,不会产生压降,但共模电感对共模干扰却有较大的感抗。
 1、AC输入整流滤波电路原理:
 防雷电路:当有雷击,产生高压经电网导入电源时,由MOV1、MOV2、MOV3:F1、F2、F3、FDG1组成的电路进行保护。当加在压敏电阻两端的电压超过其工作电压时,其阻值降低,使高压能量消耗在压敏电阻上,若电流过大,F1、F2、F3会烧毁保护后级电路。 输入滤波电路:C1、L1、C2、C3组成的双π型滤波网络主要是对输入电源的电磁噪声及杂波信号进行抑制,防止对电源干扰,同时也防止电源本身产生的高频杂波对电网干扰。当电源开启瞬间,要对C5充电,由于瞬间电流大,加RT1(热敏电阻)就能有效的防止浪涌电流。因瞬时能量全消耗在RT1电阻上,一定时间后温度升高后RT1阻值减小(RT1是负温系数元件),这时它消耗的能量非常小,后级电路可正常工作。 整流滤波电路:交流电压经BRG1整流后,经C5滤波后得到较为纯净的直流电压。若C5容量变小,输出的交流纹波将增大。 DC输入滤波电路原理
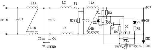
 输入滤波电路:C1、L1、C2组成的双π型滤波网络主要是对输入电源的电磁噪声及杂波信号进行抑制,防止对电源干扰,同时也防止电源本身产生的高频杂波对电网干扰。C3、C4为安规电容,L2、L3为差模电感。R1、R2、R3、Z1、C6、Q1、Z2、R4、R5、Q2、RT1、C7组成抗浪涌电路。在起机的瞬间,由于C6的存在Q2不导通,电流经RT1构成回路。当C6上的电压充至Z1的稳压值时Q2导通。如果C8漏电或后级电路短路现象,在起机的瞬间电流在RT1上产生的压降增大,Q1导通使Q2没有栅极电压不导通,RT1将会在很短的时间烧毁,以保护后级电路。
|