交流电压测量电路工作原理
时间:2023-03-14来源:佚名
|
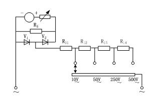
磁电系仪表不能直接用来测量交流电,必须配有整流电路才能测量交流电,交流电经过整流,变成直流脉动电流后才能在直流电表上显示出来。交流电压通常是用有效值来表示的,所以万用表的标尺也是指有效值。但是整流后的电流是平均值,故需要考虑整流元件的效率。确定整流电路的总效率后,再计算交流电压灵敏度,就可计算出各档的内阻了。 交流电压测量电路如图所示。图中RS为直流电流档的分流电阻,V1、V2为整流元件,R11~R14为各电压测量档的降压电阻,有的万用表还采取降压电阻与直流电压档混合联接的方式。
图 交流电压测量电路 |










