数据分配器和数据选择器
时间:2023-03-14来源:佚名
|
一、数据分配器
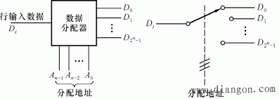
数据分配器的电路框图和功能模拟图: ![]() 它表示将一路串行输入的数据在选择地址的控制下分配到相应的通道上去的逻辑电路。在某种意义上,是将串行输入信号转换成并行输出。
二、数据选择器 在数字信号的传输过程中,有时需要从一组输入数据中选出某一个来,或在多路数据采集系统中,选出某一路来。能实现这一功能的电路就是多路数据选译器。 ![]() 下图是一个四选一(4/1)数据选择器在使能控制端
![]() |

图中
是串行数据,A1A0分配
是四个输出通道。实际上右图是一个具有使能控制端的2/4译码器。
时,其输出函数为: 









