计数器及其应用
时间:2023-03-14来源:佚名
|
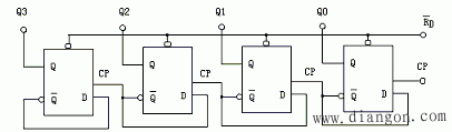
计数器是典型的时序逻辑电路,它用来累计和记忆输入脉冲的个数。计数是数字系统中很重要的基本操作,集成计数器是最广泛应用的逻辑部件之一。 计数器种类较多,按构成计数器中的多触发器是否使用一个时钟脉冲源来分,有同步计数器和异步计数器;根据计数制的不同,分为二进制计数器、十进制计数器和任意进制计数器;根据计数的增减趋势,又分为加法、减法和可逆计数器。还有可预置数和可编程序功能计数器等。 1. 用D触发器构成异步二进制加/减计数器。 如图1所示,是用四只D触发器构成三位二进制异步加法计数器,其连接特点是将D触发器接成T?触发器,再由低位触发器的 端和高一位的CP端相连。
如果将上图中的 端与高一位的CP端相连,即可构成减法计数器。
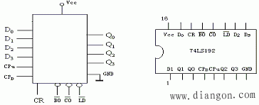
2. 中规模+进制计数器 表1 74LS192逻辑功能表 表2 CC40161功能表
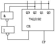
3. 计数器级联使用及任意进制的实现
|













