热电阻式传感器是把由温度的变化所引起导体电阻值的变化,通过测量电路转换成电压信号,然后送至显示仪表以显示或记录。按性质不同,可分为金属热电阻和半导体热电阻两类,而后者又称热敏电阻,它的灵敏度比前者高十倍以上。 一、热电阻的工作原理 热电阻的工作原理是基于热电阻效应,即物质的电阻率随温度变化而 变化的物理现象。 当温度升高时,虽然自由电子数目基本不变(当温度变化范围不是很大时),但每个自由电子的动能将增加,因而在一定的电场作用下,要使这些杂乱无章的电子作定向运动就会遇到更大的阻力,导致金属电阻值随温度的升高而增加,其特性曲线如图1所示。
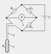
 图1 金属热电阻——温度特性曲线 二、测量电路 热电阻的测量电路通常采用不平衡电桥来转换,热电阻在工业测量桥路中的接法常采用两线制(如图2所示)和三线制(如图3所示)两种。采用三线制电桥可消除和减小引线电阻的影响。
 2热电阻两线测量桥路 1—电阻体 2—引出线 3—显示表

3热电阻三线测量桥路 1—电阻体 2—引出线 3—显示表 |