时钟控制电平触发器
一、高电平触发的RS触发器(RS锁存器)
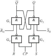
内部电路图如图所示。在基本RS触发器的基础上增加了两个与非门,所以在输入的RS上没有了非号和D下标。令CP脉冲作用之前触发器的状态为初始状态 1)R=S=0时,CP脉冲高电平作用后,触发器的状态不变,即: 2)R=0,S=1时,CP脉冲高电平作用后, 3)R=1,S=0时,CP脉冲高电平作用后, 4)R=1,S=1时,CP脉冲高电平作用后,触发器状态为随机态 。而CP=1存在时, 功能的真值表表示: ![]() ![]() ![]()
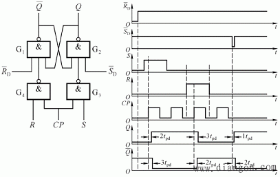
由内部逻辑图可以分析功能。这里可以利用RS触发器的次态逻辑函数分析。因为原RS触发器的R端为 ![]() 三、电平触发触发器的动态特性、特点及存在问题 1. 动态特性 动态特性是指:输入信号,CP脉冲及触发器输出状态Q之间翻转的时间关系,现用RS触发器为例加以说明。图示是RS触发器各处的波形图,并设每个与非门的平均延迟时间为1tpd。 ![]() 1)对复位、置位端数据存在的时间要求: 2)对RS端数据存在的时间要求: 3)对CP高电平时间要求:为使触发器可靠翻转, 4)CP脉冲出现到触发器状态翻转时间:Q由0→1的时间,tpdLH=2tpd;Q由1→0的时间,tpdHL=3tpd。 2. 触发特点 在CP=1高电平期间,RS的变化都会使触发器的状态产生翻转。故RS端的数据必须在CP=0期间完成转换。说明在CP=1期间,非常容易接收干扰信号,抗干扰能力差。另外,不能实现计数功能—即来一个CP脉冲,电路的状态只翻转一次。但该电路在CP=1存在的时间太长时,触发器的状态会不断地翻转或者乱翻现象。 |
一、高电平触发的RS触发器(RS锁存器)
,CP脉冲作用后的状态为下一状态(次态)
,
和
是当CP=0时用来决定触发器初态的,CP脉冲作用之前触发器的初态状态
=



二、高电平触发的D触发器(D锁存器)
,S端为D输入,代入公式后得:
(CP高电平有效),说明高电平触发的D触发器的次态与D端状态相同。

。
。
。








