电动机常见的启动方式
|
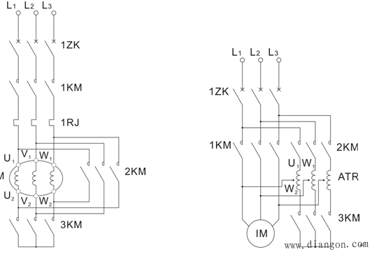
为了解决交流异步电动机的启动问题,从电动机诞生之日起就开始了启动方法的研究。使用过的方法有串联电阻(包括串联液体变阻器)限流启动、串联电抗器限流启动、电动机定子绕组星形接法切换到三角形接法(简称星/三角)启动、自耦变压器降压启动。 1、星三角启动器 工作原理:如图1所示,为鼠笼式异步电动机星三角启动控制主电路图。启动时首先使接触器3KM合上,然后合上接触器1KM,异步电动机定子绕组接成星形开始启动,经过一段时间后使接触器3KM断开,然后合上接触器2KM,这时电动机定子绕组接成三角形运行,完成启动过程。 启动时,三相绕组结成星形,每相绕组的电压为三角形接法时的1/ ,所以启动转矩为全电压启动转矩的1/3。
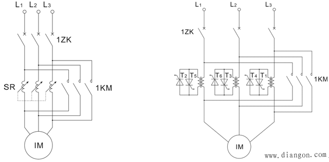
图1 星三角启动 图2 自耦降压启动 应用特点:结构简单,控制容易,成本最低。由于要变换电动机的定子绕组的连接形式,所以电动机的六个定子绕组端子必须全部引出。这种启动方法在星形转换成三角形时常常会产生很大的冲击电流,另外的一个缺点是它只有一个固定电压等级,负载适应面较窄。一般认为只适应于小容量电动机的启动,无法实现软停车功能。 2、自耦降压启动器 工作原理:如图2所示,为自藕变压器降压启动主电路,交流异步电动机连接在自藕变压器的中间抽头上。启动电机时,先合上接触器3KM和2KM,电机开始加速启动,延迟一定时间后先断开3KM,最后合上1KM的同时断开2KM,电动机工作于全压状态,完成启动过程。 采用自藕变压器降压启动方式,往往选择三种降压百分比,分别为50%、65%和80%,对应的启动电流分别是直启电流的25%、43%和64%。 应用特点:这种启动方式由于增加了自藕变压器装置,虽容易实现多档电压启动,负载适应面优于星三角启动方式。但仍属于多级电压启动,切换电压时会产生一定的电流冲击。且设备体积大,成本较高(约每个千瓦40元左右),仍不易实现软停车。 3、磁控式软启动器 工作原理:如图3所示,SR为磁饱和电抗器,利用磁饱和原理,在高导磁的闭合回路中,通过直流励磁平滑改变电抗器的电抗值,使电抗器两端电压由大到小平滑改变,在启动过程中电动机两端的电压可平滑地从初始值上升到全压,使电动机转矩在启动中有一个匀速增加的过程,促使电动机启动特性曲线变软,避免斩波调压过程中所产生的波形畸变和高次谐波,从而完成电机平稳的启动过程。 磁控软启动是从电抗器软启动衍生出来的。通过控制直流励磁电流,改变铁心的饱和度,控制电抗值的变化来实现的,所以叫做磁控软启动。这是一种无接触的,非机械式的电机软启动器,几乎能够实现现代晶闸管固态软启动器的所有性能。
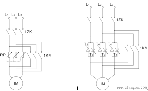
图3 磁控式软启动器 图4 开关变压器软启动器 有人说磁控软启动不产生高次谐波,这是不对的。只要饱和就引起非线性,就会产生高次谐波。只是磁饱和电抗器产生的高次谐波比工作于斩波状态的晶闸管要小一些。磁控软启动装置需要有相对功率较大的辅助电源,工作噪声较大,且成本较高,磁控软启动装置每个千瓦约120元左右。 工作原理:如图4所示,所谓开关变压器就是整流变压器。从原理上说,制作这种软启动器所选用的开关变压器既可以是三个单相变压器,也可以是一个三芯柱三相变压器,从节省材料和减少谐波的角度看,宜于采用后者。 从原理图上可以看出,开关变压器软启动器也是从电抗器软启动衍生出来的。另一方面,它与下面将要介绍的晶闸管固态软启动器比较,工作原理是完全一致的。变压器在此的角色只不过是完成隔离和降压(升流)作用。这种软启动的启动方式、停车方式、闭环控制算法以及对晶闸管的触发方式完全与普通的晶闸管固态软启动器相同。就本质而言,开关变压器软启动器就是晶闸管固态软启动器。如果说开关变压器软启动器与普通的晶闸管固态软启动器有所不同的地方,那就是高压开关变压器软启动器中的晶闸管可以不直接承受高压,从而巧妙地解决了晶闸管的耐压问题。 5、液阻软启动器 工作原理:如图5所示,从原理上说,液阻软启动器是电动机定子回路串联电阻启动方式的一种装置。液阻是由电解液形成的电阻,它导电的本质是离子导电。其阻值正比于两块电极板的距离,反比于电解液的电导率,通过伺服机构改变极板间的距离,从而改变串联在电动机定子绕组的电阻值实现对电机的启动控制。 液态变阻器热容量大,又可以无级控制,恰恰是软启动所需要的。由于电解液在启动的过程中呈现的阻抗是纯电阻性质,基本上无谐波干扰电网,功率因数优于其它启动方式,加上控制简单,成本很低,比较适应我国现时的国情,所以在我国的中压软启动器市场使用比较广泛。 但液阻软启动也有如下缺点: (1)基于液阻限流,液阻箱容积大,且一次软启动后电解液通常会有10℃~30℃的温升,重复启动性差; (2)移动极板需要有一套伺服机构,移动速度较慢,难以实现启动方式的多样化;
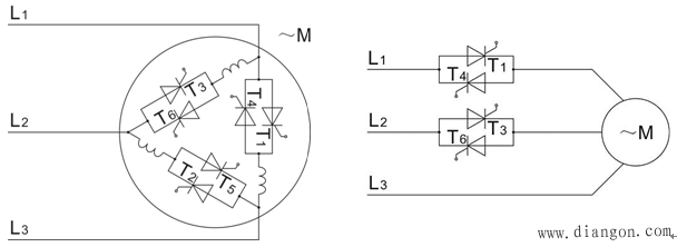
图5 液阻软启动器 图6 晶闸管固态软启动器 图9 三相内△结构 图10 两相控制结构 (3)液阻软启动装置液箱中的溶液,需要定期补充。电极板长期浸泡于电解液中,表面会有一定的锈蚀,需要定期作表面处理(一般2~3次/年); (4)液阻软启动装置不适合放置在易结冰或颠簸的环境中。 6、晶闸管固态软启动器 晶闸管固态软启动器的问世已有30多年了,在我国的广泛使用只是近十年的事。它的出现与当今电力电子技术的发展密切相关。特别是近几年来,采用高性能微处理器作为核心控制器件后,产品的性能得到了进一步提升,使之更具有了传统的各种启动方式无法比拟的优势,正在一步一步地取代传统的电机启动方式,使“软启动器”这一称呼成为晶闸管固态软启动装置的代名词。 由于微处理器的智能控制作用,使现代晶闸管固态软启动装置具有电压或电流斜坡启动、限流启动、全压启动、突跳启动、双斜坡启动、泵控制、预置低速运行(爬行),智能电动机制动、带制动的低速运行、软停车、准确停车、节能运行、相平衡控制和故障诊断等功能。高档软启动装置还安装了支持工业现场总线的通信功能,可以方便的集成到现有的控制系统中。 此外,晶闸管固态软启动装置还具有实时监控、多种安全保护以及自诊断功能,这就从根本上解决了传统的降压启动设备的诸多弊端。 工作原理:如图6所示,晶闸管固态软启动(或SCR软启动器)是采用三对反并联的晶闸管串接于交流电机的定子回路上。利用晶闸管的电子开关作用,通过微处理器控制其触发角的变化来改变晶闸管的开通程度,由此来改变电动机输入电压的大小,以达到控制电动机软启的目的。当启动完成后软启动器的输出达到额定电压,这时将通过旁路控制输出信号控制三相旁路接触器1KM吸合,将电动机投入电网运行。 几种不同的拓扑结构: (1)如图7所示,这种电路拓扑结构无偶次和三次谐波电流,需要宽脉冲或双窄脉冲触发。移向范围150°。 (2)如图8所示,这种电路拓扑结构无偶次和三次谐波电流,需要宽脉冲或双窄脉冲触发。移向范围120°。 (3)如图9所示,这种电路拓扑结构在同容量下,晶闸管承受电流小,承受电压高。存在三次谐波电流损耗,需要引出六个端子。 (4)如图10所示,这种电路拓扑结构使用元件少,但三相不对称,负载有奇次和偶次谐波电流,产生与基波转矩相反的转矩,使电机输出转矩减小,效率降低。同时,当直通的一相出现接地等故障时,设备无法保护分断。 图7 三相Y结构 图8 三相△结构
启停控制方式: (1)突跳启动方式(阶跃启动),如图11所示。 对于某些特定负载(如静阻力矩较大的负载),启动时施加一个短时的大启动力矩,以克服静摩擦力。这种启动方式比较适合启动静摩擦较大的负载,如球磨机、破碎机等。 (2)斜坡启动方式,如图12所示。 所谓斜坡启动,是指加在电机上的电压随设定的时间不断加速,当电压达到额定电压Ue时,电机达到额定转速,完成的启动过程。这种启动方式比较适合启动力矩与转速成正比的负载,如风机等。 (3)限流启动方式,如图13所示。 当电机启动时,通过检测启动电流大小,在闭环控制作用下,在输出电流不大于某一设定值的条件下,使电动机逐渐加速,当电动机接近额定转速时,输出电流迅速下降至额定电流Ie,完成启动过程。限流启动方式基本上可以实现恒力矩启动电机,适应负载面宽。 (4)电流斜坡启动(转矩控制)方式,如图14所示。 用一个线性电流斜坡作为电流给定值,当电机启动时,控制被测电流跟随输入给定值斜坡。这种控制方式也可适应多种负载,如水泵、皮带运输机等。 (5)软停车方式,如图15所示。 在不希望电动机突然停车的场合,可以通过软停车方式来逐步降低电动机端电压,使电动机慢慢地停下来。这种方式尤其适合水泵负载,在水泵停机过程中,能实时检测电动机的负载电流,根据泵的负载和速度特性调节输出电压,以消除“水锤效应”对输水管道和阀门的破坏。 (6)动力制动,如图16所示。 在惯性力矩大的负载或需要快速停机的场合,可以向电动机输入直流电流,以实现快速制动。
图13 限流启动 图14 电流斜坡启动 图15 软停车 图16 动力制动
|















