非正弦波发生器
|
一、由集成运放组成的非正弦波发生器
![]() 图示电路是用一个滞回比较器组的简单的方波和三角波发生器,电路中的R和C是电容充放电回路,Ro、DZ1、DZ2是输出电压的双向限幅电路,R1和R2构成反相滞回比较器电路。 电路定性工作原理如下:合电源瞬间,电容上电压为0(即 ![]() 电路的主要技术指标: ① 振荡周期(或振荡频率)利用过度过程中,一阶RC电路电容上电压的过度过程计算。
根据波形T=2t1,即电容充电时间和放电时间之和, 根据波形充电时有: 根据波形放电时有: 所以有: 解得:
② 振荡幅度 该电路的三角波线性不好是主要的缺点,设想让电容恒流充放电来改善线性,得到线性优胜的三角波。 ![]() 改进的思路是:设想加在比较器的比较电压来自积分器的输出,而比较器的输出又作为积分器的输入。 电路由线性积分器和一个同相滞回比较器组成,积分器的输入来自比较器输出,积分器输出又为比较器的比较电压输入。 振荡原理定性说明:合上电源瞬间,假定比较器输出为高电平VO2=VOH= VZ,积分器负方向积分,VO1负方增大,当VO1下降至同相比较器的VTL时,比较器状态翻转成低电平VO2=VOL=-VZ,积分器又作正方向积分,VO1线性上升,当升至上限触发电平VTH时,比较器输出又翻转为高电平VO2=VOH= VZ,如此周而复始,产生振荡,使VO1输出为线性优良的三角波,VO2输出方波。其波形如图所示: ![]() 输出波形的周期T计算:是两次积分时间之和,先求三角波的幅度,而幅度应从同相滞回比较器的临界转换条件来求。当
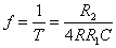
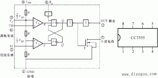
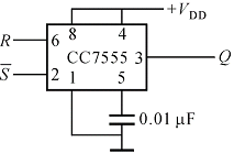
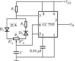
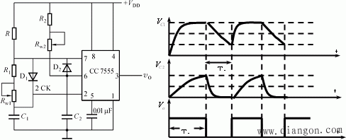
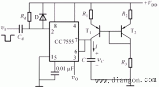
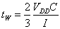
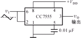
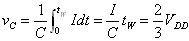
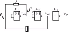
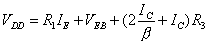
从波形图得: 二、CMOS门电路组成的晶体振荡器 用逻辑门电路和石英晶体能构成振荡频率很稳定的脉冲波形,通常用在数字逻辑电路中,作为时钟脉冲信号。 这种振荡电路主要有两种电路结构: 串联型晶体多谐振荡器: 一种是将谐振频率选在串联谐振频率 串联型晶体多谐振荡器电路中,R是偏置电阻,使静态时工作点落在转换特性的线性区,以利容易起振,晶体串在正反馈回路。电路中VO1和VO2近似为正弦,经G1整形后变成方波。 另一类是并联型石英晶体振荡器: ![]() 频率选在 三、555集成定时器构成的波形发生器 555是由模拟和数字电路巧妙结合在一起后形成的单片集成电路。由于设计思路的独特,该集成电路广泛地应用在脉冲的产生、整形、定时和延时等方面。 1.集成定时器的电路组成(CC7555为例) ![]() 电路由三只电阻产生的两个基准电压,作为比较器的参考基准。两个比较器的输出,作为或非门组成的锁存器的触发信号,两只非门为扩大输出电流用,场效应管T用作放电通路。 电路用8只引脚封装,控制信号主要由高触发端VTH和低触发端VTL加入。 ![]() 2. 集成定时器的应用 ① 构成基本RS触发器 ![]() 构成基本RS触发器电路6脚高触发端作R输入,2脚低触发端作S输入构成,而其它引脚不用,引脚5连接的电容器作高频旁路用,以保证参考电压稳定。分析后功能如下: ![]() ② 构成多諧振荡器 ![]() 多谐振荡器的工作特点:只要一合上电源,电路的输出就能在输出高电平和输出低电平两个状态之间进行自动的转换,产生前后沿都很陡的矩形波。电路中,R1,R2,C是电路中的定时元件。 电路的振荡过程如下:合上电源瞬间,C上的电压不能突变,引脚2、6都为0,输出为高电平,内部场效应管截止,因此,电容C充电,引脚2、6电压一起升高,当升至(1/3)VDD时,输出状态仍继续保持,当电容上电压升到(2/3)VDD后,电路输出变为低电平,内部场效应管导电,所以,C上电压通过R2→场效应管而放电。只要一开始放电,电路的状态又保持,放电继续。当放至(1/3)VDD时,电路的输出又变为高电平,C又充电。如此周而复始,得到一个前后沿很陡的矩形波,如图所示: ![]() 振荡周期计算: 占空比: 几种改进电路: (a)实现压控振荡(VCO或V/F) 用外加电压控制电路的振荡频率基本思路:使两个参考电压实现可调,从而改变振荡频率。 ![]() (b) 实现脉冲调制波输出可以在555的第4引脚端(即复位端)加调制信号,当调制信号高电平时,电路产生高频振荡,调制信号低电平时,不振荡,输出低电平。 ![]() (c) 占空比可调的多谐振荡器 ![]() 实现占空比可调的基本思路是:设法使充放电回路分开。合电源瞬间,引脚2、6电压为0V,输出高电平,内部场效应管截止,C充电,充电回路为:R1→D1→RW’→C→地→电源,电容器C上的电压指数规律上升。2、6引脚的电位达到(2/3)VDD时,输出变为低电平,内部管子导电,电容开始放电,路径为:C( )→RW’’→D2→R2→T→C(-)放电至(1/3) VDD时,又回到前一状态,如此周而复始。该电路的振荡频率为: (d) 充放电电容分开的多谐振荡器经分析后的波形如下: ![]()
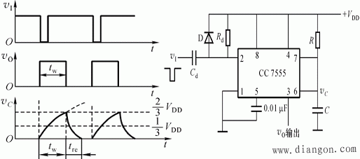
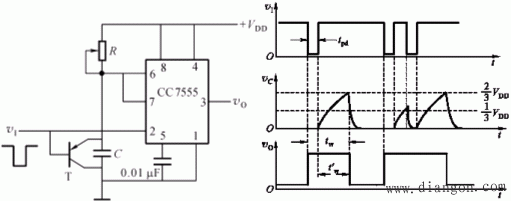
③ 构成单稳态触发器单稳态触发器的工作特点:电路需要触发信号,无触发信号输入时,电路一直处在稳定状态(由电路结构决定),电路一旦受触发,输出状态立刻进入暂稳态,触发信号消失后,电路状态能在暂态维持一定时间后,自动返回到稳态,等待下一次触发。暂态的维持时间长短由电路中的定时元件决定。 此后,电容C充电(触发信号撤消后),电容C 上的电压上升,当上升至(2/3)VDD时,输出变为低电平,T导电,电容又放电,等待第二次触发。其波形如图: ![]() 从波形图可知,电路被触发进入暂态后,必须等待暂态结束后,并让电路状态完全回到稳态时,才能加入第二次触发信号,否则电路工作将会混乱。 因此,暂态结束,并使电容放光电所需时间称为电路的恢复时间(tre)。 而二次触发时间的最短间隔称为分辨时间: 可重触发的单稳态触发器: 可重触发是指单稳电路在第一次受触发进入暂态定时后,可以连续加入触发脉冲,每加入一次触发信号,电路的延迟时间将从原延时继读,使暂态时间不断地延续下去,以得到长时间的延迟时间。 下图是能实现可重触发的电路: ![]() 可重触发部分:电路在无触发脉冲之前,555的引脚2高电平C上无电压,集成定时器输出低电平。触发脉冲低电平后,T饱和导电,引脚2、6都是低电平,定时器输出高电平,当触发信号高电平后,定时高电平输出维持,电容器C开始充电,如果之后没有触发信号,则工作过程和前述单次触发相同。如果之后又有一个触发脉冲,则电容电压又被放掉,触发负脉冲过后电容又充电,进行第二次定时。 线性优良的锯齿波发生器:采用恒流充放电措施,该电路采用镜像电流源的技术实现。 ![]()
其中由 ④ 构成斯密特触发器(双稳态触发器) ![]() 电路的工作特点:电路有两个稳定状态,在输入触发信号的作用下,电路的输出状态能从一个状态转换到另一个状态。 分析可以从二个过程进行: 触发信号从小到大变化时: 触发信号从大到小变化时:只要 ![]() 假定输入是一个三角波,则输出波形如图所示: ![]() 斯密特触发器用于波形整形,组成多谐振荡器,也用于组成单稳态触发器等电路。 四、压控振荡器(VCO或V/F) 在一些使用场合,要求电路的振荡频率与控制电压成比例,即电压控制振荡频率。 下图是压控振荡器的一种电路方案: ![]() 电路由一个积分器和一个同相滞回比较器组成。二极管作隔离,并作快速放电通路。稳压管用作同相比较器的输出限幅。 工作原理简述如下:时,假定同相比较器输出高电平(=VZ),D截止,积分器反向积分, ![]() 从波形图可知,反向积分时间长,而正向积分(放电)时间很短,振荡周期主要由反向积分时间决定,所以有振荡周期:
充放电电流相等的压控振荡器: ![]() 该图增加了一只R1’电阻,其它部分没有变,所以充放电时间一样,产生的是三角波和方波输出。 ![]() |

=0),但因电路中的噪声等原因,
的电位可能为正,此时,输出电压为高电平
,于是电容器C充电,其路径为:运放输出→Ro→R→C→地→电源→运放输出,形成闭合回路,
,输出状态变为低电平
。这之后,电容器C放电,随着放电,电容上电压
时, 输出状态又回到高电平,如此的周而复始,在输出端得到方波,而在电容器上将得到三角波形。
,
。
,
,
,
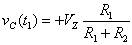
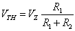
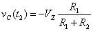
,






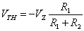
时,流过电阻R1和R2的电流相等,由此得:
,
,
,
,由于谐振时电抗为0,把晶体设置在正反馈回路,构成串联型石英晶体振荡器。 
之间,使晶体呈现电感性,以便形成电容三点式的振荡。
时,S=0,
时,S=1,
时,R=1,
时,R=0,或非门组成的RS锁存器功能。









。


是场效应管导电时的沟导电阻。


,
可求出I电流。
集成定时器内部的R=0, S=1,输出为高电平。
定时器内部R=S=0,定时器输出状态保持。当
时,R=1,S=0,定时器输出变为低电平。
,输出状态保持不变,只有当
,输出重新跳变为高电平。

线性下降,当
,电路输出状态发生转换的条件
,这时流过R3和R4的电流相等,所以
,
,
,










