数字电路逻辑符号_数字电路符号包括哪些内容
时间:2023-03-14来源:佚名
|
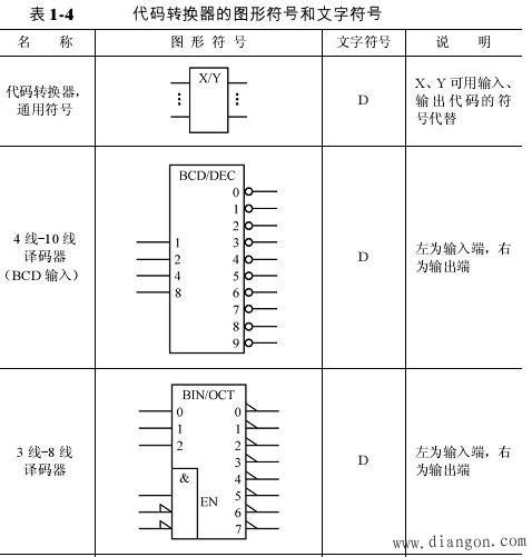
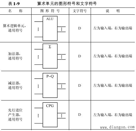
组成数字电路图的符号可以分为两大部分:一部分是各种数字电路和外围元器件符号,包括图形符号和文字符号;另一部分是导线、波形、轮廓等绘图符号。这些符号是绘制和解读数字电路图的基础语言,由国家标准予以统一规定。下面将国家标准GB—4728规定的图形符号和GB—7159规定的文字符号对应起来,以表格的形式予以介绍,以方便阅读和记忆。 数字电路符号主要包括门电路、触发器、信号发生器、编译码器等代码转换器、计数器和分配器、移位寄存器、信号转换器、模拟开关、算术单元及存储器等的图形符号和文字符号,如表1-1至表1-10所示。
|




















