三相异步电动机缺相运行时,电动机有不正常的振动和响声,若不及时切断电源,电动机的温升将过高或冒烟或有臭味,最终烧毁,因此电动机缺相保护十分重要。本文介绍几种在电动机缺相运行时不仅能及时切断电源、保护电动机,而且还有报警效果的电路,并对电路的原理做了较详细的分析。 1、引言 所谓三相异步电动机缺相运行,是指三相供电电源缺少一相或电动机三相绕组中有一相从电源断开而造成的一种电动机运行的状态,也叫断相运行、双相运行或单相运行。 据统计,三相异步电动机绕组烧毁事故,大多数是由于电动机缺相运行造成的。在负载功率相同的情况下,缺相运行电流比三相运行电流高一倍左右,此时电动机处于过载状态,若不及时处理,电动机绕组就会烧坏。如果电动机在起动前就有一相断路,则在接通电源后只发出嗡嗡声而不能起动,此时必须立即切断电源,否则也会烧坏电动机。 现在,对电动机的缺相保护已较多采用电子电路缺相保护器、集成电路缺相保护器等,但由于电路复杂价格较贵,在小型电动机(3KW及以下)控制电路上未能普遍配套使用。笔者结合经验,介绍三种原理简单、工作可靠、成本低、基本不需要维护、适合各种不同容量电动机的缺相保护、报警电路。三种缺相保护、报警电路不仅有指示灯显示缺相情况,并且都加装了电铃报警电路,增强了报警效果,使值班人员能够及时发现缺相故障、及时维修。 2、缺相保护报警电路 2.1利用断丝电压实现的缺相保护报警电路 如图1,按下启动按钮SB2,KM线圈得电,KM主触头闭合,三相异步电动机得电运行。若L1相的熔断器熔断时,其两端就会存在电位差,此电位差使并联在熔断器两端的继电器KA1线圈得电,KA1常闭触头断开,从而使KM线圈失电,KM主触头断开,电动机便停止运行,从而保护电动机;KA1常开触头闭合,接通电铃电路,电铃响,实现报警功能;同时并联在熔断器两端的灯泡HL1发光,从而显示出L1相缺相。
 接在三相异步电动机三相线路上的熔丝(熔体)有一相熔断后,在其两端会存在一个电位差,通常将这个电位差简称为“断丝”电压。这个电压的大小与电动机的容量、带负载的多少都有关,所以选用继电器、灯泡时,应根据断丝电压与电动机型号和负载的关系。下表是实验数据,可供参考。这种电路只能对熔断器熔断而造成的缺相运行起到保护作用,但是由于熔断器熔断而造成的缺相运行却占全部缺相运行故障的75%以上,所以仍有一定的实用价值。

2.2利用中间继电器实现缺相保护报警电路 利用断丝电压实现缺相保护、报警电路只能对熔断器熔断造成的缺相运行起到保护作用,所以在应用方面有一定的局限性,而且由于断丝电压随电动机容量和负载大小而变化,从而给继电器、显示灯的选择带来一定的困难。而利用继电器实现缺相保护、报警电路不仅能对熔断器熔断造成的缺相运行起到保护作用,而且能对三相供电电源缺相、接触器触点烧损造成的缺相、安装维护造成的缺相都起到保护作用。在继电器实现缺相保护、报警电路中继电器和显示灯的选择也很方便,图2中三个中间继电器KA1 、KA2、KA3应选用型号为JZ7-44,线圈电压为220伏的中间继电器,显示灯的额定电压选择220伏。如图2,当合上电源开关QS1, HL1、HL2、HL3三盏不亮,表示电动机未工作。按下启动按钮SB2,KM线圈得电,KM主触头闭合,使三相异步电动机得电运行;而中间继电器KA1 、KA2、KA3线圈得电吸合, KA1 、KA2、KA3常开触头闭合,对KM线圈回路进行自锁;KA1 、KA2、KA3常闭触头断开;同时HL1、HL2、HL3三盏灯亮,表示电动机未缺相。电动机开始工作后,马上合上报警电路的电源开关QS2,起动报警功能,由于KA1 、KA2、KA3常闭触头断开,所以此时电铃并不会响。若L1相缺相时,KA1线圈电压不足释放,KA1常开触头断开,切断自锁回路使KM线圈失电,KM主触头打开,电动机停转,从而保护电动机;KA1常闭触头闭合,电铃响,实现报警功能。由于L1相缺相,使HL1灯灭,显示L1相缺相。
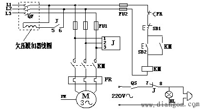
图2 利用中间继电器实现缺相保护报警电路 2.3利用XJ3-G缺相与相序保护继电器实现缺相保护报警电路 如图3,J为加装的缺相及相序保护继电器,J(5-6)为其常开触点,与自动空气开关的欠压脱扣器的线圈串联,J(7-8)为其常闭触点。先合上自动空气开关QF,若电源正常时,继电器J处于吸合状态,J(5-6)闭合,J(7-8)打开;再合上报警电路电源开关QS,由于J(7-8)打开,灯HL 不会亮,电铃不会响。当电动机缺相运行时,J立刻释放,J(5-6)断开,使自动空气开关QF的失压脱扣器的线圈电压不足,自动空气开关QF跳闸,从而保护电动机;而J(7-8)闭合,电铃响,灯泡HL亮,实现报警功能。缺相及相序保护继电器J采用新工艺和集成电路,为电压取样方式,与被保护的电动机的功率无关,无需进行任何电流等级的整定,能在电动机启动前、运行中发生的任意相缺相、错相等故障起到保护作用。缺相及相序保护继电器J的1、2、3端接三相电源,5、6端为常开触点,7、8端为常闭触点。如果按图安装以后,发现电动机不能启动,说明缺相及相序保护继电器J的相序鉴别已经起作用,只需将继电器J的1、2、3端任意两条线互换,电动机就能正常启动了。  图3 利用XJ3-G缺相与相序保护继电器实现缺相保护报警电路 3、小结 利用断丝电压实现的缺相保护、报警电路虽然只能对熔断器熔断造成的缺相运行起到保护作用,但是由于熔断器熔断而造成的缺相运行却占全部缺相运行故障的75%以上,所以仍有一定的实用价值。但是由于断丝电压随电动机容量和负载大小而变化,从而给继电器、显示灯的选择带来一定的困难。利用继电器实现缺相保护、报警电路能对熔断器熔断造成的缺相、三相供电电源缺相、接触器触点烧损造成的缺相、安装维护造成的缺相都起到保护作用,继电器和显示灯的选择也很方便。利用XJ3-G缺相与相序保护继电器实现缺相保护、报警电路,能在电动机启动前、运行中发生的任意相缺相、错相等故障起到保护作用。 |