|
可控硅触发电路的形式很多,常用的有阻容移相桥触发电路、单结晶体管触发电路、晶体三极管触发电路、利用小可控硅触发大可控硅的触发电路,等等。今天大家制作的可控硅调压器,多采用的是单结晶体管触发电路。 应用举例:
可控硅在实际应用中电路花样最多的是其栅极触发回路,概括起来有直流触发电路,交流触发电路,相位触发电路等等。 1、直流触发电路:如图G2是一个电视机常用的过压保护电路,当E 电压过高时A点电压也变高,当它高于稳压管DZ的稳压值时DZ道通,可控硅D受触发而道通将E 短路,使保险丝RJ熔断,从而起到过压保护的作用。
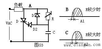
 2、相位触发电路:相位触发电路实际上是交流触发电路的一种,如图G3,这个电路的方法是利用RC回路控制触发信号的相位。当R值较少时,RC时间常数较少,触发信号的相移A1较少,因此负载获得较大的电功率;当R值较大时,RC时间常数较大,触发信号的相移A2较大,因此负载获得较少的电功率。这个典型的电功率无级调整电路在日常生活中有很多电气产品中都应用它。
 双向触发二极管亦称二端交流器件(DIAC),与双向晶闸管同时间世.由于它结构简单、价格低廉,所以常用来触发双向晶闸管,还可构成过压保护等电路。双向触发二极管的构造。符号及等效电路如图1所示。
 它属于三层构造、具有对称性的二端半导体器件,可等效于基极开路、发射极与集电极对称的NPN晶体管。其正、反向伏安特性完全对称,见图2。当器件两端的电压V小于正向转折电压V(so)时,呈高阻态,当V>V(Bo),时进入负阻区。同样,当V超过反向转折电压V(BR)时,管子也能进入负阻区。 双向触发二极管的耐压值(V)大致分3个等级: 20—60V,100-150V,200-250V.
|