霍尔元件的常用电路
时间:2023-03-14来源:佚名
|
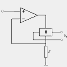
在实际应用中霍尔元件常用到以下电路,其特性不一样,究竟采用啸哪一种,要根据实际用途来选择。 1.恒流工作电路 温度变化引起霍尔元件的输入电阻变化,从而使控制电流发生变化带来误差,为了减少这种误差,常采用恒流源供电,如图1所示。在恒流工作条件下,没有霍尔元件输入电阻和磁阻效应的影响。
图1 恒流工作的霍尔传感器 2.恒压工作电路
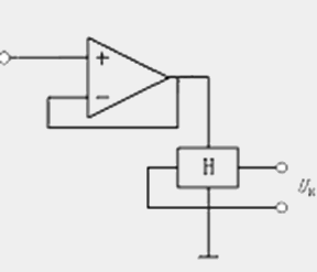
图2 恒压工作的霍尔传感器 3.差分放大电路
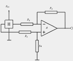
图3 一个运算放大器的放大电路
图4 三个运算放大器的放大电路 |










