集成运放的特性和主要性能指标
|
一、 集成运放的电压传输特性和三项基本参数
例:设Aod=105, ![]() 在理想条件下集成运放的电压传输特性曲线通过坐标原点。运放的电压既可以用增量(或交流量)表示,也可以用瞬时量表示。实际运放的传输特性曲线不通过坐标原点,称为输出失调。为了弥补输出失调电压,通常在运放输入级电路中设置了调零端。 (1)开环差模电压放大倍数Aod ![]()
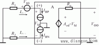
Aod一般为104~106(即80~120dB)。在手册中Aod常以V/mV作单位,如100V/mV即为105。 (2)差模输入电阻Rid, 如CF741的Rid≈1MΩ,高阻型运放的Rid 可达104MΩ以上。 (3)输出电阻Ro 集成运放的输出电阻R。,通常为100Ω至1kΩ之间。 二、集成运放的失调参数 (1)输入失调电压VIO: ![]() 集成运放在VId=0时的输出电压称作输出失调电压,记作Voo。 为了使输出电压回到零,需在输入端加上反向补偿电压,该补偿电压称为输入失调电压, (2)输入失调电压漂移dVIO/dT。输入失调电压的温度系数,反映输入失调电压随温度而变化的程度。 (3)输入失调电流IIO。反映集成运放输入端输入电流的不平衡程度。 ![]()
(4)输入失调电流温漂dIIO/dT:反映输入失调电流IIO随温度而变化的程度分析输出失调电压和失调电流的模型。 ![]()
(1) 应选择R1=R2。R1、R2 称为输入平衡电阻。 (2) R1和R2越小,则IIO对Voo的影响也越少。因此,在实际使用时,要求运放两个输入端的外接平衡电阻相等且较小。 ![]() (3) 由于运放开环增益很大,即使运放输入端短路,运放的输出电压也已进入接近±Vcc的电压了(假定Aod=104,VIO为1.5mV,则Voo已达15V)。因此,集成运放在用作线性放大时必须接成闭环方式。 三、集成运放的共模参数 (1)共模抑制比KCMR, (2)最大共模输入电压Vicmax。当共模输入电压超出VIcmax时,将影响运放内部电路中相关晶体管的工作状态。运放将失去正常的差模放大能力。 (3)共模输入电阻Ric, 四、集成运放的时域和频域参数 (1)-3dB带宽 fH:BW=fH-fL=fH,通用型运放的带宽fH仅为几赫兹至几十赫兹。 (2)单位增益带宽 fc:指运放差模开环电压增益Aod下降至0dB 时的频率, (3)转换速率SR(也称压摆率), (4)全功率带宽 fp:表示当运放输出较大幅度的电压时,为保证输出波形不产生因SR为有限值而引起的波形失真,运放所能工作的最高频率。 |
、
为±10V,则±Vin=±10/105 =±10-4V=±0.1mV,集成运放线性放大区所对应的输入信号范围很小。


。
。
:输入失调电流;
:输入偏置电流。
,


。集成运放的共模抑制比一般在60dB以上,性能较好的运放在100dB以上。
。
。
,是衡量运放在大幅度信号作用下工作速度的参数。







