电源变压器的代用
|
没有适用的220V单相电源变压器时,可以采取代用办法解决。电源变压器的代用办法主要是绕组的串并联,以解决包括电压、电流、功率、次级绕组不足等问题。 1.改变电源变压器的输出电压 当电源变压器的输出电压不符合要求时,可以通过将其次级绕组适当串联而得到新的输出电压。 (1)次级绕组正向串联提高输出电压。所谓正向串联,是指变压器各绕组不同名端相连接,即:变压器各绕组绕向相同时(几乎所有变压器均如此),一绕组的始端与另一绕组的末端相连接;两绕组绕向相反时,两绕组的始端与始端(或末端与末端)相连接。图1示例中,电源变压器T原有两个次级绕组Tb1、Tb2输出电压分别为6V、12V,当将它们正向串联后,即可得到18V的新的输出电压,其最大输出电流等于Tb1、Tb2中额定输出电流较小的绕组的输出电流。
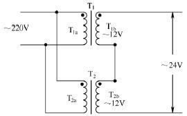
(2)次级绕组反向串联降低输出电压。所谓反向串联,是指变压器各绕组同名端相连接。如图2所示,电源变压器T原有两个次级绕组Tb1、Tb2输出电压分别为3V、25V,当将它们反向串联后,即可得到22V的新的输出电压。反向串联两绕组的额定电压应有较大差距。 (3)两个电源变压器次级绕组正向串联提高输出电压。如图3所示,电源变压器T1、T2输出电压均为12V,将它们的初级并联接入220V电源,它们的次级正向串联后即可获得24V的输出电压。连接中须注意识别各绕组的同名端,不能接错。
2.提高电源变压器的输出电流
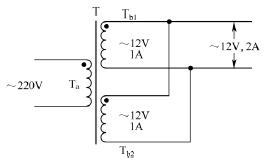
(2)不同变压器次级绕组的并联。如图5所示,电源变压器T1和T2分别具有输出电压15V、额定电流1.5A的次级绕组T1b、T2b,将T1与T2的初、次级均同名端相接并联后,即可将输出额定电流提高到3A。
3.增大电源变压器的功率
4.增加电源变压器的次级绕组
5.电源变压器各绕组同名端的识别 |















