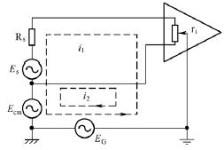
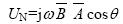
1.布线中电场耦合的抑制 plc控制系统有几十乃至几百个输入、输出通道分布在其中,导线之间形成相互耦合是通道干扰的主要原因之一。它们主要表现为电容性耦合、电感性耦合和电磁场辐射三种形式。在PLC控制系统中,由前两种耦合造成的干扰是主要的,第三种是次要的。它们对控制系统主要造成共模形式的干扰。 地球是一个静电容量很大的导体,其电位非常恒定。如果把一个导体与大地紧密连接,那么该导体的电位也是恒定的。通常把这个电位叫做零电位,它是电位的参考点。然而,工程上不可能做到这种紧密连接,总是存在一定的接地电阻。当有电流经该导体入地时,它的电位就有波动。于是,不同的接地点之间的电位就会有差异。当用一根导线连接不同的接地点时,在导线中就可能有电流流动,称之为地环电流。接地抗干扰技术就是以解决地环电流为中心的系列技术。 图1等效示意了信号源地线和放大器地线之间的电位差形成的干扰源EG,它对电路主要造成共模形式的干扰。然而,由干扰源Ecm和EG形成的共模电压中的一部分会转换成差模电压,直接对电路造成干扰。假设信号源电压Es=0,即只考虑干扰源Ecm和EG的作用时,因为i1回路和i2回路的阻抗不相等,因此,回路电流i1和i2也不相等。于是两个电流的差在放大器的输入电阻上形成了差模电压。采取合适的屏蔽和正确的接地措施就可以减小或消除这些干扰。 克服电场耦合干扰最有效的方法是屏蔽,因为放置在空心导体或者金属网内的物体不受外电场的影响。屏蔽电场耦合干扰时,导线的屏蔽层最好不要两端连接当地线使用,因为在有地环电流时,这将在屏蔽层中形成磁场,干扰被屏蔽的导线。正确的做法是把屏蔽层单端接地。 造成电场耦合干扰的原因是两根导线之间的分布电容产生耦合。当两导线形成电场耦合干扰时,导线1在导线2上产生的对地干扰电压UN为:

图1 信号源地线和放大器地线示意图
(1)
式中:U1和 是干扰源导线1的电压和角频率;R和C2G是被干扰导线2的对地负载电阻和总电容;C12是导线1和导线2之间的分布电容,通常C12<2G。
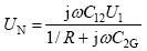
可以看出,在干扰源的角频率 不变时,要想降低导线2上的被干扰电压UN,应当减小导线1的电压U1,减小两导线之间的分布电容C12,减小导线2的对地负载电阻R以及增大导线2对地的总电容C2G。在这些措施中,可操作性最好的是减小两导线之间的分布电容C12,即采用远离技术,弱信号线要远离强信号线敷设,尤其是远离动力线路。工程上的“远离”概念通常取干扰导线直径的40倍。同时,避免平行走线也可以减小C12。 2.布线中磁场耦合的抑制 抑制磁场耦合干扰的方法是屏蔽干扰源。大型电机、电抗器、磁力开关和大电流载流导线等都是很强的磁场干扰源,采用导磁材料将其屏蔽起来,在工程上是很难做到的。通常采用一些被动的抑制技术。当回路1对回路2造成磁场耦合干扰时,其在回路2上形成的串联干扰电压UN为:
(2)
式中: 是干扰信号的角频率, 是干扰源回路1形成的磁场链接至回路2处的磁通密度, 为回路2感受磁场感应的闭合面积, 是 和 两个矢量的夹角。 可以看出,在干扰源的角频率 不变时,要想降低干扰电压UN,首先应当减小 。对于直线电流磁场来说, 与回路1中流过的电流成正比,而与两导线间的距离成反比。因此,要有效抑制磁场耦合干扰,仍然采用远离技术,同时,也要避免平行走线。 3.公共阻抗耦合的抑制 消除公共阻抗耦合的途径有两个:一个是减小公共地线部分的阻抗,这样公共地线上的电压也随之减小,从而控制公共阻抗耦合;另一个方法是通过适当的接地方式避免容易相互干扰的电路共用地线,一般要避免强电电路和弱电电路共用地线,数字电路和模拟电路共用地线。 如前所述,减小地线阻抗的核心问题是减小地线的电感。这包括使用扁平导体作接地线,用多条相距较远的并联导体作接地线。 位置相互靠近的控制箱体的单点接地系统如图2所示,它比较适合于低频信号,特别是直流控制电路,而很少用于高频控制系统。除了与进入的电源电缆一起引入的设备接地导体外,还要增设附加的局部安全接地。当提供该附加接地时,附加接地的连接应通过与地之间的附加低阻抗通道以加强人身安全。 当单个控制箱体与控制站分开很远时,信号参考导体的阻抗将引起控制站与箱体之间的地电位差,这是分布式系统存在的问题。控制站与箱体之间的通信电路应具有合适的共模干扰的保护作用,共模干扰可能由长绝缘信号地的阻抗引起的。当设计分布式控制系统的接地方式时应注意如下事项:
① 应尽量使分布式系统采用单一电源。 ② 每一个箱体有自己的局部设备地以取代总体安全地。 ③ 系统之间的信号应采用变压器耦合或直流耦合方式,主站和分站之间的传输电路应具有一定的抑制在故障情况下地电压升高的能力。

图2 相互靠近的箱体的低频信号单点接地系统
④ PLC控制系统中分站的信号地与局部地相浮,通过大尺寸的绝缘线与主站的信号地相连,如图3所示。

图3 箱体分开很远的低频信号的单点接地系统
当工作频率高于300kHz或采用长接地电缆的接地设备时,应考虑多点接地系统,每个设备在最近的点连接至地网,而不是所有接地导体单点接地。这个系统的优点是电路建造比较容易,可以避免高频时接地系统的驻波效应。多点接地系统的主要缺点是可以构成多个地回路而引起共模干扰。箱体相距很远的高频信号的多点接地系统如图4所示。

图4 箱体分开很远的高频信号的多点接地系统
PLC控制系统的高频信号一般是指对干扰具有高灵敏度的信号。它们是同轴电缆传输的通信信号,这种电缆可在每端接地或浮地,参考另一接地点时,应采用隔离变压器。 PLC控制系统的高灵敏度控制电路是指具有低电压水平(5~1 000mV)的逻辑输入电压,如热电偶信号电路。这些电路对干扰特别灵敏,其外部连接导线应采用屏蔽措施,且连接导线应穿钢管敷设。高灵敏度控制电路的接地如图5所示。

图5 高灵敏度电路的接地
为了抑制加在电源及输入端、输出端的干扰信号,应给PLC接上专用地线,接地点应与动力设备(如电机)的接地点分开。若达不到这种要求,也必须做到与其他设备并联接地禁止与其他设备串连接地,而且在整个PLC控制系统中做到单点接入接地装置。 完善接地系统接地的目的通常有两个:一为了安全,二是为了抑制干扰。完善的接地系统是PLC控制系统抗电磁干扰的重要措施之一。对PLC控制系统而言,它属高速低电平控制系统,应采用直接接地方式。由于信号电缆的分布电容和输入装置滤波等的影响,装置之间的信号交换频率一般都低于1MHz,所以PLC控制系统接地线应采用一点接地和混合接地方式。集中布置的PLC系统适于并联一点接地方式,各装置的柜体中心接地点以单独的接地线引向接地极。如果装置间距较大,应采用串联一点接地方式,用一根大截面积铜母线连接各装置的柜体中心接地点,然后将接地母线直接连接至接地极。在各个控制站应采用串联一点接地方式,接地线采用截面积大于22mm2的铜导线,总母线使用截面积大于60mm2的铜排。接地极的接地电阻小于1 ,接地极埋在距建筑物10~15m处,而且PLC系统的接地点必须与强电设备的接地点相距10m以上。信号源接地时,屏蔽层应在信号侧接地;信号源不接地时,屏蔽层应在PLC侧接地。信号线中间有接头时,屏蔽层应牢固连接并进行绝缘处理,避免多点接地。多个测点信号的屏蔽双绞线与多芯对绞总屏电缆连接时,各屏蔽层应相互连接好并作绝缘处理,然后选择适当的接地处单点接地。 4.布线原则 为了减小动力电缆辐射的电磁干扰,可采用铜带铠装屏蔽电力电缆,以降低动力线产生的电磁干扰。不同类型的信号分别由不同的电缆传输,在敷设信号电缆时应按传输信号的种类分层敷设,严禁用同一电缆的不同导线同时传送不同类别的信号,并应避免信号线与动力电缆靠近平行敷设,以减小电磁干扰。 信号传输线之间的相互干扰主要来自导线间的分布电容、电感引起的电磁耦合,防止干扰的有效方法首先是注意电缆的选择,应选用金属铠装屏蔽型的控制电缆、信号电缆,一方面减小了噪声干扰,另一方面也提高了电缆的机械强度;其次,电缆的敷设施工也是一项重要的工作,施工时应注意将动力电缆和控制电缆分开。同时还要注意PLC电源线、I/O电源线、输入信号线、输出信号线、交流线、直流线尽量分别使用各自的电缆,且尽量分开布线,开关量信号线和模拟量信号线也应尽量分开布线。而且,模拟量信号线应采用屏蔽电缆,并要将屏蔽层接地。数字传输线也要采用屏蔽电缆,并要将屏蔽层接地。当交流和直流的输入和输出信号线不得不使用同一配线管时,直流输入、输出信号线要使用屏蔽电缆,并将屏蔽层接地。 5.导线的选择 导线的选择应根据传输信号的电平(或功率电平)、频率范围、敏感情况及隔离要求来确定,只有分析信号电平与波形,才能正确选用传输电缆。选用传输电缆的一般原则如下:
- 电源线,如380V交流、220V交流、27V直流一般不用屏蔽电缆,但电源线干扰大时例外。
- 低频信号线以及隔离要求很严格的多点接地和单点接地线路应采用屏蔽双绞线。
- 单点接地的音频线路和内部电源线应采用双绞线。
- 对于重要的射频脉冲、高频信号以及宽频带内阻抗匹配等,应选择同轴电缆。
- 数字电路和脉冲电路应采用绞合屏蔽电缆,有时需要单独屏蔽。
- 高电平电源线应穿钢管敷设。
- 多点接地的音频线或电源线需采用屏蔽线。
- 低频仪表可采用单芯、单屏蔽导线。其传输中等信号电平并有良好接地系统时,效果比较好。
6.布线的抗干扰设计 在大地电位变化较大的场所,系统将受到共模干扰,且容易转变为差模干扰,因此控制系统的接地系统设计就尤为重要。控制系统的接地一般采用独立接地方式,接地时应注意:
- 接地线应尽量短且截面积应大于2mm2。
- 接地点应尽量靠近PLC机柜(距离不大于50m)。
- 接地线应尽量避开强电回路和主回路的电线,无法避开时应垂直相交。
- 接地电阻应小于1
。
屏蔽电缆的处理方法如图6所示。对于300m以上的长距离配线,可用中间继电器转换信号,或使用远程I/O通道。PLC的接地线要与电源线或动力线分开,输入、输出信号线要与高电压、大电流的动力线分开配线。

图6 屏蔽电缆的处理方法
(1)电源线布线
- PLC的电源线和I/O线应分别配线,电源隔离变压器两端应采用双绞线或屏蔽电力电缆连接。将PLC电源线与I/O线分开走线,不同类型的线应分别装入不同的电缆管和电缆槽中,并使其之间有尽可能大的空间距离。
- 交流线与直流线应分别使用不同的电缆,并分开捆扎,分槽走线最好。这不仅能使其有尽可能大的空间距离,并能将干扰降到最低限度。
(2)输入、输出线布线
PLC的输入接线一般指外部传感器与输入端口的接线。PLC一般接收行程开关、限位开关等输入的开关量信号。连接按钮、限位开关、接近开关等外接电气部件提供的开关量信号对电缆无严格要求,故可选用一般电缆。若信号传输距离较远,可选用屏蔽电缆。模拟信号和高速信号线应选用屏蔽电缆。传输模拟输入、输出信号的屏蔽线,其屏蔽层应一端接地。(http://www.gdzrlj.com版权所有)为了泄放高频干扰信号,数字信号线的屏蔽层应并联电位均恒线,或只考虑抑止低频干扰时,也可以一端接地。不同的信号线最好不用同一插接件转接,如必须用同一个插接件,要用备用端子或地线端子将它们分割开,以减小相互干扰。 当模拟量输入、输出信号距PLC较远时,应采用4~20mA或0~10mA的电流传输方式,而不是电压传送方式。传送模拟信号的屏蔽线,其屏蔽层应一端接地。输入、输出信号线应穿入专用电缆管或独立的线槽中敷设,专用电缆管或独立的线槽敷设路径应尽量靠近地线或接地的金属导体。当信号线长度超过300m时,应采用中间继电器转接信号或使用PLC的远程I/O模块。若在输入触点电路中串联二极管,在串联二极管上的电压应小于4V。若使用带发光二极管的舌簧开关,串联二极管的数目不能超过两只。另外,对于输入、输出接线还应特别注意以下几点:
- 输入接线一般不要超过30m。但如果环境干扰较小,电压降不大时,输入接线可适当长些。
- 输入、输出线不能用同一根电缆,PLC的输入与输出最好分开走线,开关量与模拟量电缆也要分开敷设。模拟量信号的传送应采用屏蔽线,屏蔽层应一端接地,接地电阻应小于屏蔽层电阻的1/10。
- 尽可能采用常开触点形式连接到输入端,使编制的梯形图与继电器原理图一致,以便于阅读。
- PLC的输入、输出回路配线必须使用压接端子或单股线,不宜用多股绞合线直接与PLC的接线端于连接,否则容易出现火花。
(3)通信线布线 PLC的基本单元与扩展单元之间电缆传送的信号小,频率高,很容易受到干扰,不能与其他的连线敷设在同一线槽内,应单独敷设,以防止外界信号的干扰。通信电缆要求可靠性高,有的通信电缆的信号频率很高(如上兆赫),一般应选用PLC生产厂家提供的专用电缆(如光纤电缆)。在要求不高或信号频率较低时,也可以选用带屏蔽的多芯电缆或双绞线电缆。 为了提高抗干扰能力,对PLC的外部信号、PLC和计算机之间的串行通信信息,可以考虑用光纤来传输和隔离,或采用带光电耦合器的通信接口。在腐蚀性强或潮湿的环境中以及需要防火、防爆的场合更应采用这种方法。 (4)PLC柜内的布线 PLC控制系统机壳(或其他控制设备)通常作为PLC控制系统内部的参考点,因此,必须尽量减小流过用于安装PLC控制系统的机柜背板中的噪声电流,防止出现PLC控制系统的PE端与本系统中远端其他相关电子设备参考电位之间的噪声电压,以保证系统的可靠性。 图7所示为一个包含PLC和变频器的布线实例。在图7(a)中,变频器输出电缆安装在靠近PLC背板的正上方,电缆屏蔽层接在机柜上方,变频器输入采用非屏蔽且不带电缆导管的三相三线电缆,变频器的PE母排在靠近PLC背板的下方与TE相连。对于这样一个布线系统,由于变频器产生的共模电流将通过电缆屏蔽层及电缆中线流回机柜,并通过系统中的PE通路经TE及供电变压器副边中点返回到变频器的输入侧,因此有大量的噪声电流流过用于安装PLC的机柜背板,将严重干扰PLC的正常工作。
 图7 PLC柜布线实例
系统的改进如图7(b)所示,变频器的输出电缆安装在靠近变频器背板的正上方,输出电缆中线接到变频器的PE端。同时,变频器输入也采用三相四线屏蔽电缆,并且变频器的PE母排与TE的接点放在靠近变频器背板的下方。由图7(b)可见,布线改进后有效地减小了流过用于安装PLC的机柜背板的噪声电流。 |