 |
|
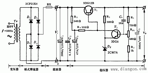
图1 串联型稳压电源 |
1.串联型直流稳压电源工作原理 图1为串联型直流稳压电源。它除了变压、整流、滤波外,稳压器部分一般有四个环节:调整环节、基准电压、比较放大器和取样电路。 当电网电压或负载变动引起输出电压Vo变化时,取样电路将输出电压Vo的一部分馈送回比较放大器与基准电压进行比较,产生的误差电压经放大后去控制调整管的基极电流,自动地改变调整管的集一射极间电压,补偿Vo的变化,从而维持输出电压基本不变。 2.稳压电源的主要指标 (1)特性指标 ① 输出电流IL(即额定负载电流)。它的最大值决定于调整管最大允许功耗PCM和最大允许电流ICM。要求:IL(Vimax-Vomin)≤PCM, IL≤ICM,式中Vimax是输入电压最大可能值,Vomin是输出电压最小可能值。
 |
|
图2取样电路 |
② 输出电压和输出电压调节范围。 在固定的基准电压条件下,改变取样电压比 就可以调节输出电压,如图2所示。由图可知 
(2)质量指标 ① 稳压系数s
通常稳压电源的s约为10-4~10-2。 ② 动态内阻ro
从上式可知,ro越小,则负载变化对输出直流电压的影响越小,一般稳压电路的ro约为(10-2~10)欧姆。 ③ 输出纹波电压是指输入电压频率为50Hz和100Hz时的输出交流分量,通常用有效值或峰峰值来表示,即当输入电压为220V时,在额定输出直流电压、直流电流的情况下测出的交流分量。 |