积分调节器和积分控制规律
|
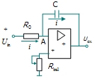
1. 积分调节器(I调节器) 如右图,由运算放大器可构成一个积分电路。根据电路分析,其电路方程(A点为“虚地”) |
![]() |
![]() |
| 积分调节器原理图 |
| 2. 积分调节器的特性 |
![]() |
| b) 阶跃输入时的输出特性 c) Bode图 积分调节器 |
| 3. 积分调节器的传递函数 |
![]() |
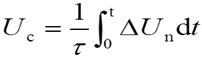
| 4. 转速的积分控制规律 如果采用积分调节器,则控制电压Uct 是转速偏差电压△Un 的积分,应有 |
![]() |
| 如果是△Un 阶跃函数,则 Uct 按线性规律增长,每一时刻 Uct 的大小和 △Un 与横轴所包围的面积成正比,如下图 a 所示。 输入和输出动态过程 |
![]() |
| 积分调节器的输入和输出动态过程 a) 阶跃输入 b) 一般输入 |
|
积分器的三个重要特性 |
![]() |
|
将以上的分析归纳起来,可得下述结论: |















