变压器的短路承受能力试验主要是考核其承受短路的机械力,并不能验证其热特征(在标准中明确规定承受短路的耐热能力由计算验证)。短路承受能力试验通常是在试验室完成的。国际电工委员会(IEC)和我国国家标准(GB)都对变压器承受短路的能力进行了明确的规定,并且对短路承受能力试验的方法和要求进行了阐述。下面就试验中有关的具体问题作进一步的分析。
1 短路试验的标准
变压器短路试验的标准有国标GB 1094.5—1985、国际标准IEC 76-5:1976和1996年修改稿(IEC 14/268CD,现未正式采用)。GB 1094.5—1985和IEC 76-5:1976基本等效。目前国内的变压器均按GB 1094.5—1985这一标准进行试验,出口变压器则按IEC 76-5:1976或与其相应的国家标准试验。它们之间的差异见表1。
表1 短路试验标准比较
| 序号 |
项 目 |
GB 1094.5—85 |
IEC 76-5:1976 |
IEC 14/346/FDIS |
| 1 |
容量分类 |
Ⅰ |
<3 150kVA |
同GB |
<2 500kVA |
| Ⅱ |
3 150~40 000kVA |
2 500~100 000kVA |
| Ⅲ |
>40 000kVA |
>100 000kVA |
| 2 |
试验油温 |
0~40℃ |
同GB |
10~40℃ |
| 3 |
持续时间 |
Ⅰ |
0.5s±10% |
同GB |
同GB |
| Ⅱ、Ⅲ |
制造厂和使用部门协商 |
0.25s±10% |
| 4 |
电抗变化 |
Ⅰ |
≤2%(同心式)
≤4%(箔式和短路阻抗为3%以上) |
同GB |
同GB |
| Ⅱ、Ⅲ |
制造厂与使用部门协商 |
≤1%或1%~2%(双方协商) |
| 5 |
电流幅值及偏差 |
每相至少有一次100%最大非对称电流,其他两次不低于75%最大非对称电流 |
每相至少有3次100%最大非对称电流 |
同IEC 76-5:1976 |
对称电流≤±10% 非对称电流≤±5% |
同GB |
同GB |
| 6 |
试验次数 |
Ⅰ |
采用三相电源时,共进行3次试验;采用单相电源时,共进行9次试验,每相进行3次试验,非对称短路电流一次100%,另两次不低于75% |
采用三相电源时,共进行9次试验,采用单相电源时共9次,每相进行3次,但非对称电流3次都是100% |
同IEC 76-5:1976 |
| Ⅱ、Ⅲ |
制造厂和使用部门协商 |
同GB |
同GB |
| 7 |
分接位置 |
Ⅰ |
最大、最小和额定 |
同GB |
同GB |
| Ⅱ、Ⅲ |
制造厂和使用部门协商 |
| 8 |
绝缘试验 (复试)电压 |
原绝缘电压的85% |
原绝缘电压的75% |
原绝缘电压的100% |
| 9 |
系统短路表观容量 |
— |
与GB不尽相同 |
与GB不尽相同 |
| 10 |
非对称分量峰值 系数2K |
X/R≥14时,2K=2.55 X/R<14时查表 |
同GB |
X/R≥14时,2K=2.69(对于容量超过100MVA第Ⅲ类变压器) |
|
注:IEC 14/346/FDIS为修订IEC76-5:1976委员会文件,请各国家委员会提意见,近期将颁布实施。
2.短路故障的接线方式
对双绕组变压器和不带第三绕组的自耦变压器,由于二次侧(低压侧)的短路能最严密地反映系统的短路故障状态,因此应优先考虑二次侧短路。短接时应采用低电阻的铜排或断路器进行短接。对三绕组变压器(包括自耦变压器),必须根据每台特定的变压器来决定短路的方式和施加短路的端子,每个绕组的最大故障电流可以根据故障的类型计算出来。因它是由不同的故障类型、故障位置和系统数据来决定的,在试验时应至少在一种试验中受到最大故障电流的作用。通常是通过几种不同的接线方式进行短路承受能力试验,从而保证所有绕组的短路承受能力都得到验证。 短路试验可采用两种方式: (1)预先短路法:也称对预先短路的变压器施加电压的短路试验,即在变压器的二次侧预先短路或合上断路器,然后在一次侧进行励磁。这种方法要求离铁心柱最远的绕组接电源,目的是为了尽可能地避免铁心饱和以及在最初的几个周期内的磁化涌流叠加到短路电流上。 (2)后短路法:也称对预先励磁变压器进行短接的短路试验,即变压器一次绕组施加励磁电压,二次绕组利用短路装置进行短路的方式。这种方式更接近实际运行状态。
3 短路试验电源
短路试验方式与试验室现有的电源有关。 一般来说,三相电源可以进行三相变压器的三相短路和单相对地短路试验,试验接线见图1。单相电源可以模拟三相变压器的三相短路,也可以进行单相变压器的单相短路,试验接线见图2。对于Y联结绕组,是在一个线路端子与其余两个连在一起的线路端子之间施加电源或短路(通常称1.5相试验)。对于D联结绕组,是在两个线路端子之间施加电源或短路,而第三线路端子无任何接线。 |

|
图1 三相试验的典型接线图 (a)Yd联结 (b)Yy联结 (c)Dy联结 (d)Dd联结 (e)自耦变压器Yy联结 (f)双分裂变压器Dy联结FD、HD分、合闸断路器 |

|
图2 单相电源模拟三相短路故障的典型接线图 (a)Yy联结 (b)Yd联结 (c)Dy联结 (d)Dd联结
这里解释一下单相电源模拟三相变压器的三相短路的情况。在国标中规定,对三相变压器的每一相应进行三次短路承受能力试验,其中非对称短路电流的第一峰值一次为100%,另两次不低于75%。当应用三相电源进行三相变压器短路试验时,通常是选择某一相电压过零时选相合闸开关合闸,以便获得最大的非对称短路电流第一峰值。此时该相对称短路电流的第一峰值最大(假设为100%),而另两相的相电压合闸角一相是 30°,另一相是-30°。通过计算可知其短路电流第一峰值都大于75%,这是与标准规定一致的。而采用单相电源模拟三相变压器的三相短路时,通常短路试验接线是采用1.5相试验,通过选相合闸开关选择相电压过零合闸来得到非对称短路电流的第一峰值,另两次可以调整合闸角度来达到非对称短路电流的第一峰值不低于75%。而IEC标准要求三相变压器的每一相都应承受三次100%的非对称短路电流,只要是三次皆过零合闸就可以实现,因此用单相电源模拟三相变压器的三相短路是等效的。但实际上实现每次都是相电压过零合闸是不现实的。同步合闸装置是有一定分散性的,因此标准规定非对称短路电流第一峰值偏差为±5%。实践证明,在电压过零的±15°范围内合闸是完全可以满足标准要求的。
4 试验时控制短路电流的方法
调试短路电流可以采用串联电抗器和调整电源电压两种方式,应在降低短路电流的前提下进行试验。控制最大非对称短路电流,除控制选相合闸开关的合闸相角外,它还可以通过调整电源电压、电路中的总阻抗以及X/R比值来控制。通常有如下几种调整方法: (1)采用电源变压器的分接开关来控制电源电压。 (2)利用发电机、母线、线路的布置及联结方式来产生可以利用的试验回路的短路容量。 (3)利用电源电压的合闸相位角来控制故障的开始瞬间。 (4)接入附加电抗,用来补偿电路中的总电抗、改变试验回路的X/R比值。 (5)选择变压器故障分接接线方式或试验回路的中性点接线方式。
5 电压、电流测量
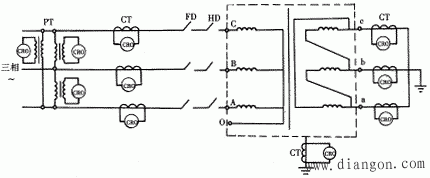
由于低压侧电压为零,故应记录被试变压器的高压侧的电压示波图,最好的测量方法是通过分压器与示波器连接。短路电流作为短路试验的最主要数据需要在被试变压器的每一相上进行电流的示波图测量,应优先采用电流互感器与示波器连接。当测量接地的二次侧短路电流时,也可采用分流器测量。对油箱对地的电流也应监测,通常采用电流互感器与示波器连接方式测量,同时还应监测气体继电器的信号。图3为以三相电源为例进行三相短路试验的试验回路接线图。 |

|
图3 三相电源进行三相变压器短路试验回路接线图 PT——电压互感器 CT——电流互感器 CRO——数字记录仪
6 短路故障的检测方式
6.1 电压、电流波(包括油箱对地电流和气体继电器信号) 试验期间的电流或电压波形中发生任何一个突变都将显示出变压器内部有电气故障。但是有时匝间短路后其电流波形图仍检测不出有任何变化的迹象。因此不能单纯以电流波形未出现变化就认为产品短路试验合格。 6.2 电抗 采用精密电感分析仪测量,比较短路前后的电抗变化。电抗变化是非常灵敏地反映被试变压器的内部故障情况。若电抗发生变化(超标准规定时),应分别在高压和低压侧进行此阻抗的测量,可以判断绕组可能出现的位移。如果在高、低压侧测出的电抗都增大,一般是表示这个心柱上的绕组产生了变形。 6.3 吊心检查 短路承受能力试验后,绕组、引线和支撑结构等应无明显位移、变形,器身表面应无放电痕迹。 6.4 复试例行试验 要求例行试验项目复试应全部合格。 目前IEC和GB标准都要求用以上故障检测方式来判断被试变压器是否通过了短路承受能力试验。
7 判断故障的新辅助方法
除前面介绍的判断变压器短路试验合格的方法外,国际上又发明了两种新的判断短路故障的方法,这两种方法是通过对被试变压器不吊心检查而间接测量来判断绕组变形。由于时间比较短,技术上较难根据被测波形的变化情况来区别故障程度,因此目前仅限于积累经验和研究阶段。 7.1 低压脉冲法 低压脉冲法是检测变压器绕组有无位移的方法,是间接测量,就是比较短路试验前后所摄取的低电压脉冲电流示波图,应看不出明显的变化。其基本原理就是利用重复式脉冲电压发生器,将电压波施加在被试变压器的一个或多个端子上,并同时记录一个或多个端子上的电流响应波。由于导线的位移,匝间电容发生变化。从而会在端子上的电流波形中产生变化。目前认为差动电流法是判断绕组变形的较灵敏方法。接线见图4。此法的缺点是对示波图的变化做出解释时应有丰富的经验,并且很难从示波图上来量化短路故障的程度。 |

|
图4 差分法试验回路 (a)Y联结 (b)D联结 R分流器 U低压脉冲
7.2 频率响应法(时域响应法) 也是间接测量绕组变形的方法,目前也属发展阶段。其原理就是将变压器看成是一个由电抗、电感、电容组成的线性无源二端口网络。按网络理论,其特性是由传递函数来描述,每台变压器的每一绕组的传递函数是应该与绕组一一对应的。当变压器绕组发生变形时,其对应的传递函数同原特性函数比较应有所不同。其试验接线见图5。 |

|
图5 频率响应法试验回路 (a)高压回路 (b)低压回路
综上所述,变压器的短路试验技术是不断发展的,特别是短路故障的判断技术是不断发展的。虽然低压脉冲法和频率响应法暂时技术不太成熟,但经过一段时间的积累,我们相信一定会成为判断变压器短路故障的新辅助方法。一旦技术成熟,它们最终将会被标准采用。 | |