|
开关稳压电源的调整管及所有的晶体管大都工作在高频开关状态,截止期间,晶体管无电流,因此不消耗功率,而导通时,晶体管的功耗为饱和压降乘以电流,因此电路的功耗很小,效率很高,可达80%-90%。比普通线性稳压电源提高了近一倍。故开关电源SPS(Switching Power Supply)被誉为高效节能型电源。
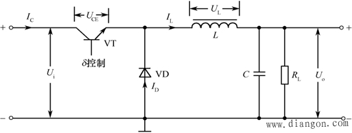
 1. 取样环节:R1 、R2 分压提取取样电压uF(反馈电压) 2. 基准电压环节:提供稳压的基准电压UREF 3. 放大环节:比较放大器A,放大差值(UREF -uF) 4. 调整环节:调整管T由开关信号控制通断,稳定输出电压UO。 5. LC滤波器及续流二极管D:滤波和续流得到平稳的直流电压。 6. 脉宽调制比较器C:反相端接uT (三角波发生器的输出),同相端接uA (比较放大器输出),输出开关信号uB驱动调整管。 三角波发生器与比较器组成的电路称为脉宽调制电路(PWM) 开关电源的工作原理 1. 分析 当uB为高电平→T饱和、D截止,uE=UI ,经LC滤波到负载RL同时iL↑→ L和C储存能量 当uB为低电平→T截止、D导通, uE=-UD≈0,D续流→ LC泄放能量给RL供电,输出较平稳的直流电压 虽然T处于开关状态,但由于D的续流和L、C的滤波作用,输出电压UO是比较平稳的。 2. 输出平均电压及占空比 调整管通断时uE的波形为矩形波
 输出平均电压(忽略滤波电感L的直流压降):
 可见,对于一定的UI值,通过调节占空比即可调节输出电压UO。 2. 开关电源电路的基本类型 ①串联型。图示的开关电源基本形式即是串联型开关电源,其特点是开关调整管VT与负载RL串联。
 ②并联型。并联型开关稳压电源基本电路如图7-3-3所示,其工作波形与串联电路基本相同。因开关管VT与负载RL并联而称之为并联型。此外二极管VD通常称之为脉冲整流管,C为滤波电容。
 三种基本的非隔离开关电源:
 三种基本的隔离开关电源:

|