各类门电路应用时的注意事项
时间:2023-03-14来源:佚名
|
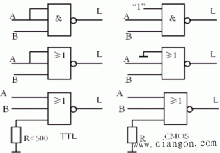
一、多余输入端的处理
(1)对于与非门电路:把多余输入端接正电源或者与有用端并联使用; (2)对于或非门电路:把多余输入端接地或与有用端并联使用,通过电阻接地时,对TTL这只串联电阻阻值只能在500欧姆以下; 特别注意:不能把多余输入端悬空。对TTL电路,悬空虽相当于高电平,但易引入干扰;对CMOS电路,悬空无电位,使相应管子截止,破坏逻关系,也会引入干扰。 ![]() 二、电源的去耦滤波 滤除在脉冲工作时,产生的尖峰电流在电源内阻上产生的压降。在集成电路电源的引脚端加接一只0.01uF~0.1uF的电容器。 三、加接口电路 在连接两种不同种类的逻辑门电路,且当两种逻辑门电路的逻辑电平,驱动能力不一致时,它们之间应加接口电路。 ![]() |










