plc常见的输入设备有按钮、行程开关、接近开关、转换开关、拨码器以及各种传感器等。正确地连接输入电路,是保证PLC安全可靠工作的前提。 1.PLC输入模块与主令电器类设备的连接 图1是输入模块与按钮、行程开关、转换开关等主令电器类输入设备的接线示意图。图1中的PLC为直流汇点式输入,即所有输入点共用一个公共端COM,同时COM端内带有DC 24V电源。若是分组式输入,也可参照图2所示的方法进行分组连接。

图1 PLC与主令电器类输入设备的连接示意图

图2 PLC输入信号采集示意图
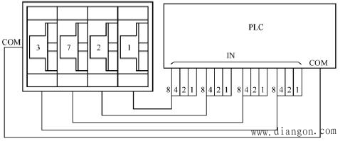
PLC(松下电工FPO-C32型)的外部设备主要是指控制系统中的输入、输出设备,其中输入设备是对系统发出各种控制信号的主令电器,在编写控制程序时必须注意外部输入设备使用的是常开还是常闭触点,并以此为基础进行程序编制,否则易出现控制错误。 在图2中,输入设备选用的是按钮SB的常闭触点,输入继电器X0的线圈状态取决于SB的状态。该按钮未按下时,输入继电器X0的线圈状态为通电状态“1”,程序中所有的X0触点均动作,即常开触点接通,常闭触点断开;若按下该按钮,则输入继电器X0的线圈状态为断电状态“0”,程序中所有的X0触点均恢复常态。如果输入继电器连接的输入设备是按钮SB的常开触点,则情况恰好相反。在该按钮未按下时,输入继电器X0的线圈状态为断电状态“0”,程序中所有的X0触点均不动作;若按下该按钮,输入继电器X0的线圈状态为通电状态“1”,程序中所有的X0触点均动作。 由于PLC在运行程序判别触点通断状态时,只取决于其内存中输入继电器的线圈状态,并不直接识别外部设备,因此在编程时外部设备的选用与程序中的触点类型密切相关。这是一个在对照电气控制原理图进行plc编程时易出现的问题,最典型的例子是基本控制“启保停控制”中的停车控制。 图3为“启保停控制”电气原理图。在该系统中,按钮SB0用于停车控制,因此使其常闭触点串联于控制线路中。SB1为启动按钮,使用其常开触点。若使用相同的设备(即停车按钮SB0用常闭触点,启动按钮SB1用常开触点),利用PLC进行控制,则需编制梯形图程序,如图4所示。

图3 “启保停控制” 电气原理图
I/O分配:SB0→X0,SB1→X1,输出Y0。该梯形图中停车信号X0使用的是常闭触点(串联在控制线路中),这是因为外部停车设备选取的是按钮的常闭触点,不操作该按钮时则输出Y0正常接通,若按下该按钮,输出Y0断电。 若希望编制出符合平时阅读习惯的梯形图程序(见图5),则在选用外部停车设备时需使按钮SB0的常开触点与X0相连。I/O分配:SB0→X0,SB1→X1,输出Y0。

图4 “启保停控制”梯形图程序(停车按钮使用常闭触点)

图5 “启保停控制”梯形图程序 (停车按钮使用常开触点)
图4和图5所示梯形图完成的控制功能相同,但程序中停车信号X0使用的触点类型却不相同,其原因就是连接在输入继电器X0上的外部停车按钮触点类型的选用不同。图5所示梯形图程序更加符合阅读习惯,也更易于分析其逻辑控制功能,因此在PLC构成控制系统中,外部开关、按钮无论是用于启动还是停车,一般都选用常开型。这是一个在使用PLC时需要格外注意的问题。 2.PLC输入模块与拨码开关的连接 如果PLC控制系统中的某些数据需要经常修改,可使用多位拨码开关与PLC连接,在PLC外部进行数据设定。图5-7为一位拨码开关的示意图,一位拨码开关能输入一位十进制数(0~9)或一位十六进制数(0~F)。 图7中所示的4位拨码开关组装在一起,把各位拨码开关的COM端连在一起并接在PLC输入侧的COM端子上。每位拨码开关的4条数据线按一定顺序接在PLC的4个输入点上。由图7可见,使用拨码开关要占用许多PLC输入点,所以不是十分必要的场合一般不要采用这种方法。实现多组拨码开关并联输入需解决的技术问题有:

图6 一位拨码开关的示意图

图7 4位拨码开关与PLC的连接
- 多组拨码开关的信号通道要求并联输入,各组拨码开关的各对应开关接点就要并联连接,必须采取一定的技术来分隔各拨码开关组,使各拨码开关组彼此不交叉干扰、串扰。各拨码开关组的输出能有效鉴别,消除因拨码开关组所造成的PLC输入信号混乱,并要求拨码开关组并联后输出电平能满足PLC输入电平的要求。
- 每一组拨码开关的选通、PLC读数的输入以及数据储存到相应区域的每一步骤都应严格对应,确保各拨码开关所设定的数值能准确读到PLC内部所指定的数据储存位置。
- 各组拨码开关的信号选通和PLC输入读数的处理在时序上应严格区分,使之不致出现各组拨码开关间PLC输入读数混乱。在选通和PLC读数过程中的任何时刻,最多只能有一组拨码开关处于选通和相应的PLC输入读数操作状态。
- 处理好PLC循环扫描的执行速度,特别是PLC数字输出模板的拨码开关选通信号输出后,将拨码开关组的开关接点引至PLC输入模板,然后进行相应处理。控制扫描速率和采样周期应使PLC读取的数据准确、稳定,符合PLC控制系统对执行速度的要求。
- 抑制和消除拨码开关在进行拨动操作时所引起的PLC输入信号的波动而产生的PLC读数错误。
图8所示为三位拨码开关与二位拨码开关并联的例子。图中一组三位拨码开关与一组二位拨码开关并联并接至PLC数字模板,Q4.0、Q4.1为PLC数字输出模板的数字输出点,分别是A组拨码开关和B组拨码开关的选通信号端。各组拨码开关的每个开关输出点都串入二极管,二极管的连接方法如图8所示。利用二极管单向导电的特性来接通、断开拨码开关选通组和非选通组的输出信号。(http://www.gdzrlj.com版权所有)当需要读取A组拨码开关所设定的数据时,PLC的输出端Q4.0输出高电平,Q4.1输出低电平,则A组拨码开关所串联的12个二极管为正向接法,而B组拨码开关的8个二极管为反向接法。虽然A,B两组拨码开关的输出是并联的,但从PLC的输入端所读取到的数是A组拨码开关所设定的数。如果需要读取B组拨码开关设定的数,PLC的输出端Q4.1输出高电平,Q4.0输出低电平,这时B组拨码开关的8个二极管为正向接法,A组拨码开关的12个二极管为反向接法。同理,PLC输入端所读到的便是B组拨码开关所设定的数。

图8 拨码开关组连接电路图
对于需要输入超过两组的拨码开关,拨码开关组可以作多组并联连接,原理与上述类似。在硬件电路中,要增加相应的PLC输出点,以实现各组拨码开关的选通控制。 对各组拨码开关的选通与PLC的输入读数要逐一进行,即选通时只能有一组拨码开关有选通的高电平信号,避免在任一时刻有多个拨码开关处于高电平选通状态而造成读数混乱。通过设定数据字来累计程序循环扫描次数,控制PLC系统的执行速度,使选通、读数处理与PLC程序循环执行扫描速度相匹配,实现PLC输出和输入扫描在时间上相适应,输入信号稳定可降低读数错误的概率。PLC在每个程序循环执行周期结束时从输出模板输出选通信号,而后在下一个程序循环执行周期开始时读入输入模板的输入值,这个时间间隔非常短,如果PLC在每一个循环扫描周期中都输出拨码开关选通信号及对输入读数进行采样处理,一方面会造成程序中的输出和输入关系混乱,另一方面会造成PLC读数采样次数太多,采样速度太快,采样时间太短,采样频率过高,而对PLC输入、输出模板的执行速度、接至拨码开关的导线长短、导线选定等的要求很高。设计时在满足系统功能要求的前提下应该降低扫描速度。 应将各组拨码开关所读的数由BCD码转化为整数,并储存在相应的数据区位置,完成从设定数到PLC内部对应数据的处理。A组拨码开关设定的数经BCD数据转换后存至设定的数据字区,B组拨码开关所设定的数经BCD数据转换后也存至设定的数据区。 拨码开关组可以作多组并联连接,在软件设计中需要按照拨码开关组选通的唯一性原则进行处理,并设置对应的过程标志位,通过子程序段来实现每一组拨码开关的读数处理。 3.PLC输入模块与旋转编码器的连接 旋转编码器是一种光电式旋转测量装置,它将被测的角位移直接转换成数字信号(高速脉冲信号)。因此,可将旋转编码器的输出脉冲信号直接输入PLC,利用PLC的高速计数器对其脉冲信号进行计数,以获得测量结果。不同型号的旋转编码器,其输出脉冲的相数也不同,有的旋转编码器输出A、B、Z三相脉冲,有的只有A、B两相,最简单的只有A相。 图9是输出两相脉冲的旋转编码器与FX系列PLC的连接示意图。编码器有4条引线,其中2条是脉冲输出线,1条是COM端连线,1条是电源线。编码器的电源可以是外接电源,也可直接使用PLC的DC 24V电源。电源“−”端要与编码器的COM端连接,“ ”端与编码器的电源端连接。编码器的COM端与PLC的COM端连接,A、B两相脉冲输出线直接与PLC的输入端连接,连接时要注意PLC输入的响应时间。有的旋转编码器还有一条屏蔽线,使用时要将屏蔽线接地。

图9 旋转编码器与PLC的连接示意图
4.PLC输入模块与接近开关的连接 在PLC控制系统的设计中,虽然接线工作所占的比重较小,大部分工作还是PLC的编程设计工作,但它是编程设计的基础,只有正确接线才能顺利地进行编程设计工作。而要保证接线工作的正确性,就必须对PLC内部的输入、输出电路有一个比较清楚的了解。PLC数字量输入电路分为直流输入和交流输入,直流输入又分为源输入—共阳极、漏输入—共阴极、混合型输入—共阳/共阴。 (1)直流输入电路 图10所示为直流输入电路的一种形式(只画出一路输入电路)。当外部线路的开关闭合时,PLC内部光电耦合器的发光二极管点亮,光敏三极管饱和导通。该导通信号再传送给微处理器(CPU),CPU认为该路有信号输入。外界开关断开时,光电耦合器中的发光二极管熄灭,光敏三极管截止,CPU认为该路没有信号。

图10 直流输入电路
交流输入电路如图11所示,与直流输入电路的区别主要就是增加了一个整流环节。交流输入电路的输入电压一般为AC 120V或230V。交流电经过电阻R的限流和电容C的隔离(去除电源中的直流成分)后,再经过桥式整流变为直流电,其后的工作原理和直流输入电路一样。

图11 交流输入电路
从以上可以看出,由于交流输入电路中增加了限流、隔离和整流三个环节,因此,输入信号的延迟时间要比直流输入电路的长,这是其不足之处。但由于其输入端是高电压,因此输入信号的可靠性要比直流输入电路高。一般交流输入方式用于有油雾、粉尘等的恶劣环境中以及对响应性要求不高的场合,而直流输入方式用于环境条件较好、电磁干扰小、对响应性要求高的场合。 (2)漏型输入电路 漏型输入电路如图12所示,电流从PLC的公共端(COM端或M端)流进,而从输入端流出,即PLC的公共端外接直流电源的正极。

图12 漏型输入电路
图12中只画出了一路的情形,如果输入有多路,所有输入二极管的阳极相连就构成了共阳极电路,如图13所示。

图13 共阳极电路
三菱A系列PLC的AX40/41/42/50/60及Q系列的QX40/41/42等输入模块均属于漏型输入模块。源型输入电路中电流的流向正好和漏型电路相反,源型输入电路的电流是从PLC的输入端流进,而从公共端流出,即公共端接外接电源的负极。如果所有输入回路的二极管的阴极相连,就构成了共阴极电路,如图14所示。三菱A系列PLC的AX80/81/82及Q系列的QX80/81的输入模块均属于此类输入电路。

图14 共阴极电路
(3)混合型输入电路 混合型输入电路的公共端既可以流出电流,也可以流入电流(即PLC的公共端既可以接外接电源的正极,也可以接负极),同时具有源输入电路和漏输入电路的特点,所以可以把这种输入电路称为混合型输入电路,其电路形式如图15所示。作为源输入时,公共端接电源的负极;作为漏输入时,公共端接电源的正极。这样,可以根据现场的需要来接线,给接线工作带来极大的方便。三菱A系列PLC的AX50-S1/60-S1/70/71/81-S1及Q系列的QX70/71/72的输入模块就属于此类输入电路。

图15 混合型电路
三菱和西门子公司关于“源输入”和“漏输入”电路的划分正好相反,以上是按三菱公司的划分方法来介绍的,这点在使用过程中要注意。 西门子S7-300/400系列PLC的直流输入模块大多为漏型输入(公共端接外部电源的负极)。在S7-300系列PLC中,只有SM321(-IBH50-)的输入模块为源输入(公共端接正极),S7-400系列PLC中则没有源输入模块。S7-200的输入模块则全部为混合型输入形式。因此这种输入形式虽然接线方便,但容易造成电源的混乱。
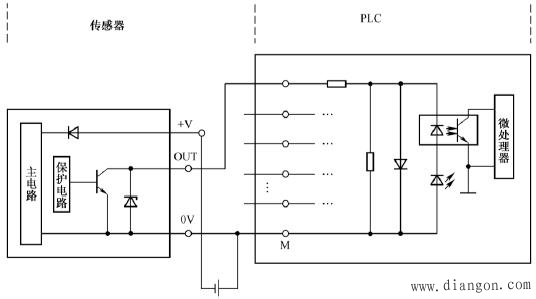
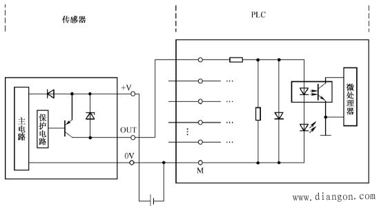
5.开关量信号和PLC输入模块的连接 PLC外接的输入信号除了像按钮一些干节点信号外,一些传感器还提供NPN和PNP集电极开路输出信号。干节点和PLC输入模块的连接比较简单,而对于不同的PLC输入电路,应正确选择NPN输入或PNP输入方式。 (1)NPN和PNP输出电路的形式 图16和图17所示分别是NPN和PNP输出电路的一种形式。从图16和图17可以看出,NPN集电极开路输出电路的输出端OUT通过开关管和0V端连接,当传感器动作时,开关管饱和导通,OUT端和0V端相通,输出0V低电平信号;PNP集电极开路输出电路的输出端OUT通过开关管和 V端连接,当传感器动作时,开关管饱和导通,OUT端和 V端相通,输出高电平信号。

图16 NPN集电极开路输出电路
 图17 PNP集电极开路输出电路
(2)NPN和PNP输出电路和PLC输入模块的连接 由以上分析可知,NPN集电极开路输出电路的输出电压为0V,当输出端OUT和PLC的输入端相连时,电流从PLC的输入端流出,从PLC的公共端流入,此即为PLC的漏型电路形式,即NPN集电极开路输出只能接漏型或混合式输入电路形式的输入模块,连接方法如图18所示。

图18 NPN集电极开路输出电路和PLC的连接示意图
PNP集电极开路输出电路输出的是高电平,当输出端OUT和PLC的输入端相连时,电流从PLC的输入端流入,从PLC的公共端流出,此即为PLC的源型电路形式,即PNP集电极开路输出只能接源型或混合型输入电路形式的输入模块,连接方法如图19所示。

图19 PNP集电极开路输出电路和PLC的连接示意图
正是由于PLC输入模块的电路形式和外接传感器输出信号的多样性,在PLC输入模块接线前要充分了解PLC输入电路的类型和传感器输出信号的形式,只有这样才能确保PLC输入模块接线正确无误,为后续的PLC编程和调试工作打下一个良好的基础。 |