本节主要介绍双母线固定连接的差动保护双母线固定连接的差动保护以及母联电流相位比较式母线保护。
一、双母线固定连接的差动保护双母线固定连接的差动保护
根据图示理解双母线固定连接的差动保护双母线固定连接的差动保护的基本原理。
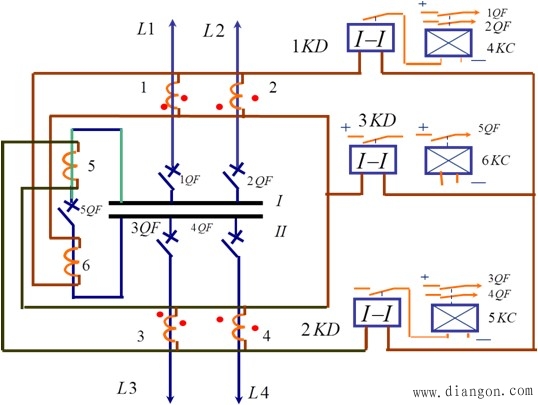
1. 图示

图1
说明:3KD-保护的启动元件,只要母线上短路,它就动作,动作于母联开关跳闸,同时给1KD、2KD提供直流正电源。1KD-Ⅰ母线选择元件,只有当Ⅰ母线短路时,它才动作,动作于跳开与Ⅰ母线连接的断路器。2KD-Ⅱ母线选择元件,只有当Ⅱ母线短路时,它才动作,动作于跳开与Ⅱ母线连接的断路器。
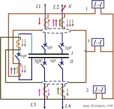
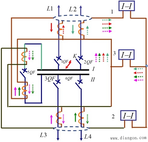
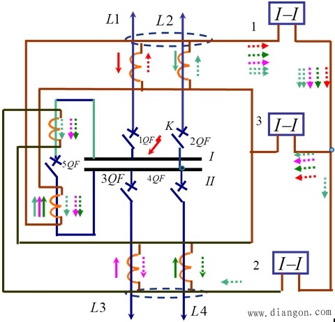
2. 双母线固定连接的差动保护的工作情况

图2 外部故障

图3 区内故障

图4 内部故障
二、母联电流相位比较式母线保护
保护装置接线:差动继电器是整套保护的启动元件,接在母线差动电流回路中,由它来判断是母线故障还是保护范围外故障。若故障发生在保护区内,则相应继电器动作,是I母线和U母线故障的选择元件,用来判断故障发生在哪组母线上。
保护装置接线:差动继电器1~3CQf是整套保护的启动元件,接在母线差动电流回路中,由它来判断足母线故障还是保护范围外故障。若故障发生在保护区内,则l~3CQJ动作,l~3LXU是I母线和U母线故障的选择元件,用来判断故障发生在哪组母线上。
基本原理:是比较母联电流和差动回路电流的相位,作为选择故障母线的依据。当第l组母线故障时,母联故障电流(即母联断路中的电流)从母线Ⅱ 流向母线I,执行元件lJa、lJb、lJc动作;当第n组母线上发生故障时,母联故障电流从母线I流向母线Ⅱ,执行元件2h、2Jb、2Jc动作。在上述两种情况下差回路电流相位是不变的,而母联电流相位改变了180’。因此,通过对这两个电流的相位进行比较,就可以选择出故障母线。
按此原理构成的保护装置,在任一组母线故障时,只要母联断路中有故障电流流过,选择元件就能正确工作。为此,母联断路器正常运行时必须处于合闸状态,且每组母线上都应有电源元件,以保证任一组母线上发生故障时,都有足够大的故障电流流过 母联断路器进行相位比较。若两组母线中的一组母线无电源元件,则在有电源的母线上故障时,母联便无故障电流流过,相比元件就不能动作。当单母线运行或母联 断路器停用时需将“严隔离开关合上,此时就没有选择性了。如母线发生故障,则将两段母线上的元件全部跳掉。