主从型触发器
时间:2023-03-14来源:佚名
|
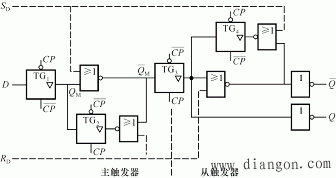
主从型触发器的翻转特点是分接收和翻转二个节拍动作。 1. CMOS主从D功能触发器,RD,SD是高电平置0和置1。 ![]() (1)CP=0, (2)CP=1,
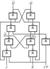
电路由两个高电平触发的RS触发器组成,它同样在一个CP下分二个节拍动作。CP=1时,主触发器接收信息,存放在QM中(按JK功能存放),而从触发器状态不变;CP=0时,主触发器封锁,原存放在QM中的信息不变(按JK功能存放),从触发器状态按主触发器QM状态翻转; 触发器逻辑功能小结: 1. RS三种功能:置0,置1,保持,约束RS=0; 2. D二种功能:置0,置1; 3. JK四种功能:置0,置1,保持,翻转(计数); 4. T二种功能:翻转,保持。 功能描述方法(JK触发器为例):
![]() 触发器功能转换是指一种功能的触发器可以转换成另一种功能,如D功能可转换成JK功能。因为JK特性方程 转换方案: 几个常用的转换结论: (1)RS→D:S=D,R= (2)RS→翻转触发器(T’):S= (3)JK→D:J=D,K= (4)JK→T:J=K=T。 (5)T’:J= (6)D→T’:D= |

=1时,TG1、TG4接通,TG2、TG3断开,主触发器接收D信息,从触发器状态不变;
。
。可见电路是一个上升沿触发的D功能触发器。
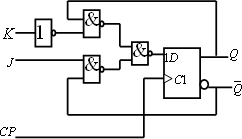
2. TTL主从JK功能触发器
次态函数(特性方程):

,所以,转换电路的方程为:
。
转换后的电路:
。
,R=
。







