单侧电源供电线路三相一次重合闸的基本工作原理

时间:2023-03-14来源:佚名

本文主要研究单侧电源供电线路三相一次重合闸是如何工作的。
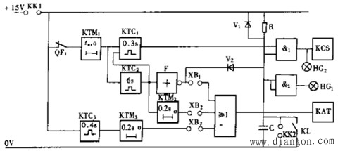
1. 原理:主要由重合闸起动回路、重合闸时间元件、一次合闸脉冲元件及控制开关闭锁回路等组成。由连接片XB1~XB3组成的回路,用以与继电器相配合,实现重合闸或重合闸后加速保护动作。

单侧电源供电线路三相一次重合闸的基本工作原理

图 1 三相一次重合闸原理接线图

2. 正常工作状态:
正常工作状态下断路器在合闸位置,单侧电源供电线路三相一次重合闸的基本工作原理触点断开,重合闸的时间元件没有电源,故不能起动。
R-C充电回路在单侧电源供电线路三相一次重合闸的基本工作原理接通时开始对C充电,经15~25s的延时后,使

    热销商品

    加厚abs安全帽电工建筑工地程施工领导监理透气防砸头盔可印字V型

    这款加厚ABS安全帽专为电工、建筑工地施工人员、领导及监理设计,采用高强度ABS工程塑料,抗冲击、防砸性能优异,有效保障头部安全。帽体加厚设计,增强耐用性与防护等级...
    5.8

    水口钳高硬度模型剪钳电子钳工业级口水剪斜嘴钳偏口斜口专用钳子

    水口钳高硬度模型剪钳是一款工业级精密工具,专为电子、模型制作及精细作业设计。采用优质高碳钢材质,经热处理工艺打造,具备卓越的硬度和耐磨性,可轻松剪切金属引脚、...
    4.8

    170电子剪钳II 如意斜口钳 工业斜嘴钳水口钳 模型剪塑胶钳尖嘴钳

    170电子剪钳II如意斜口钳是一款专业级精密工具,集工业斜嘴钳、水口钳、模型剪、塑胶钳与尖嘴钳功能于一体,适用于电子维修、模型制作、手工艺及精密作业。其采用优...
    4.5

    安全帽国标工地加厚施工领导透气安全头盔建筑工程监理免费印字

    本款安全帽严格遵循国家GB 2811-2019标准,专为建筑工程、工地施工及监理人员设计。采用高强度ABS工程塑料,加厚壳体有效抗冲击,保障头部安全。帽体轻盈透气,内置可调...
    10

    包邮三角型简易螺丝刀三角十字螺丝刀螺丝批改锥起子五金工具5mm

    这款5mm三角型简易螺丝刀,专为拧紧或拆卸三角形螺丝设计,适用于电子维修、家电维护及精密仪器装配等场景。采用优质合金钢材质,刀头硬度高、耐磨损,确保长久使用不变...
    3.64

    网站栏目