互补对称功率放大器的原理
时间:2023-03-14来源:佚名
|
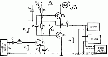
图1为互补对称功率放大器的原理电路图。当输入电压vi为正半周时,经T1管反相,使T2管截止,T3管导通,从而在负载电阻RL上形成输出电压vo的负半周波形;当输入电压vi 为负半周时,T2管导通,T3管截止,从而在负载电阻上形成输出电压vo 的正半周波形。
当输入电压周而复始地变化时,输出功放管T2 与T3交替工作,使负载电阻RL上得到完整的正弦波。 |
|
图1为互补对称功率放大器的原理电路图。当输入电压vi为正半周时,经T1管反相,使T2管截止,T3管导通,从而在负载电阻RL上形成输出电压vo的负半周波形;当输入电压vi 为负半周时,T2管导通,T3管截止,从而在负载电阻上形成输出电压vo 的正半周波形。
当输入电压周而复始地变化时,输出功放管T2 与T3交替工作,使负载电阻RL上得到完整的正弦波。 |









