|
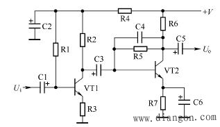
图1所示是双管阻容耦合放大器。这一多级放大器由两个单级放大器组成,两级放大器之间通过电容耦合,所以称为双管阻容耦合放大器。
 图1 双管阻容耦合放大器
1、单级放大器类型识别方法和直流、交流电路工作原理分析与理解 这一多级放大器中共有两只三极管VT1和VT2组成两级放大器,两个单级放大器之间通过电容 C3耦合。电路中,VT1是第一级放大管,VT2是第二级放大管,Ui是输入信号, Uo是通过两级放大器放大后的输出信号。
1.第一级放大器类型识别 从电路中可以看出,输入信号从三极管 VT1基极输入,放大后信号从它的集电极输出,所以这是一级共发射极放大器。
2.第二级放大器类型识别 第一级放大器输出的信号经耦合电容C3,从基极输入到 VT2中,经过放大后的信号从它的集电极输出。这也是一级共发射极放大器,所以这是一个共发 -共发双管放大器。
3.直流电路分析 这一多级放大器采用电容 C3进行级间耦合,所以两级放大器的直流电路要分别进行分析。关于这一双管阻容耦合放大器直流电路的分析主要说明下列几点:
(1)直流工作电压 V通过 R6加到 VT2集电极, V经电阻 R6和 R5加到 VT2基极,R7将 VT2发射极接地。 (2)直流工作电压 V经 R4和 C2退耦和滤波后加到第一级放大器,提供直流工作电压。 (3)R2是 VT1集电极负载电阻,为 VT1提供直流工作电压。R1是 VT1固定式偏置电阻,R3是 VT1发射极负反馈电阻。
4.交流电路分析 交流输入信号 Ui经输入端耦合电容 C1耦合后加到 VT1基极,经过 VT1电压和电流双重放大后从其集电极输出,通过级间耦合电容 C3加到 VT2基极,经过 VT2电压和电流放大后从其集电极输出,通过输出端耦合电容 C4加到后级放大器中。
关于这一双管阻容耦合放大器交流电路的工作原理还要说明下列几点:
(1)从信号电压这个角度上讲,VT1集电极上的信号电压大于其基极上的信号电压,VT2集电极上的信号电压大于其基极上的信号电压,VT2中的信号电压大于 VT1中的信号电压。 (2)由于这是一个共发 -共发双管放大器,每一级共发射极放大器对信号电压移相 180°,两级放大器共移相 360°,所以输出信号电压 Uo相位与输入信号电压 Ui相位相同。 (3)这一双管放大器的信号传输过程是:交流输入信号 Ui → C1(耦合)→ VT1基极→ VT1集电极→ C3(级间耦合)→ VT2基极 → VT2集电极→ C5→输出信号电压 Uo,至后级电路中。
2、元器件作用分析和电路故障分析 为了分析电路方便,将这一电路重画成如图2所示电路。
 图2 双管阻容耦合放大器
1.元器件作用分析 VT1和 VT2采用的基极偏置电路不同,VT1采用固定式偏置电路,VT2采用集电极 -基极负反馈式偏置电路。
VT1发射极电阻R3上没有并联旁路电容,所以R3对交流和直流都存在负反馈。
R4是第一级放大器直流电压供给电阻,同时也是多级放大器中的退耦电阻,关于它的退耦作用将在后面的退耦电路中详细介绍。从直流电路角度讲,R4将加到第一级放大器中的直流工作电压降低一些,因为直流工作电压 V产生的直流电流经过 R4后,在 R4上存在压降,使第一级放大器的直流工作电压低于第二级放大器的直流工作电压。
C2是滤波和退耦电容。如果不接入C2,电阻 R4将是 VT1集电极负载电阻的一部分(R4和 R2串联后作为 VT1集电极负载电阻)。接入C2后,VT1集电极交流信号电流不流过 R4(流过 R2交流电流经 C2流到地端),只流过R2,所以只有 R2是 VT1集电极负载电阻。
2.电路故障分析 这一双管阻容耦合放大器的故障分析同单级放大器基本一样,不同之处补充说明如下:
(1)当 VT1放大器中的直流电路出现故障时,由于 C3的隔直作用,不会影响 VT2放大器的直流电路工作。由于第一级放大器已经不能正常工作,它没有正常的输出信号加到第二级放大器中,第二级放大器虽然能够正常工作,整个双管放大器也没有信号输出。 (2)第二级放大器的直流电路出现故障后,因为 C3的存在不会影响第一级放大器直流电路的工作,第一级放大器能够输出正常的信号。由于第二级放大器不能正常工作,所以第二级放大器也不能够输出正常的信号。由此可知,在多级放大器中只要有一级放大器出问题,整个多级放大器均不能输出正常的信号。 (3)当 C2开路时,对第二级放大器无影响,会使第一级放大器输出信号的电压有所升高,因为 VT1集电极负载电阻增加了 R4。当 C2漏电或击穿时,第一级放大器直流工作电压变小或无直流电压,同时流过 R4的电流加大,也会使直流工作电压 V有所下降而影响第二级放大器正常工作,此时整个放大器没有输出信号或信号小。
电路分析小结 (4)当电阻 R4开路时,第一级放大器无直流工作电压,不影响第二级放大器工作,整个放大器没有输出信号。 (1)进行多级放大器直流电路的分析时,对直流工作电压 V的电压供给线路分析从右向左进行,对于某一单级放大器而言是从上而下。 (2)进行交流电路分析时,知道从第一级放大器输出的信号已经得到了放大,从第二级放大器输出的信号比第一级输出的信号更大。 (3)对多级放大器可以更多地采用省略分析方法。 |