|
一、耦合电路功能和电路种类 多级放大器中,每一级放大器之间是相对独立的,要将一级级放大器之间连接起来,级间耦合电路不可缺少。
1.耦合电路功能 对耦合电路的要求是,对信号的损耗愈小愈好。有时,耦合电路不仅起级间的信号耦合作用,还要对信号进行一些处理,主要有以下几种情况:
(1)通过耦合电路将两级放大器之间的直流电路隔离,这是最常用的功能之一。 (2)通过耦合电路获得两个电压大小相等、相位相反的信号。 (3)通过耦合电路对信号的电压进行提升或衰减。 (4)通过耦合电路对前级和后级放大器之间进行阻抗的匹配。
2.耦合电路种类 多级放大器中的耦合电路主要有下列几种:
(1)阻容耦合电路中采用电容器进行交流信号的耦合。这是最常用的耦合电路。电容器具有隔直通交的特性,在让交流信号耦合到下一级放大器的同时,将前一级的直流电流隔离。这种电路广泛用于多级交流放大器中。 (2)直接耦合电路中没有耦合元器件。直接将前级放大器的输出端与后级放大器的输入端相连,这也是一种常见的耦合电路。直接耦合电路可以用于多级交流放大器中,也可用于多级直流放大器中,在多级直流放大器中必须采用这种耦合电路。 (3)变压器耦合电路中采用变压器作为耦合元件。变压器也具有隔直通交特性,所以这种耦合电路与电容器耦合电路相似,同时由于耦合变压器具有阻抗变换等特性,所以变压器耦合电路变化形式很丰富。变压器耦合电路主要用于一些中频放大器、调谐放大器和音频功率放大器的输出级中。
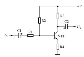
二、阻容耦合电路工作原理分析与理解 当两级放大器之间采用耦合电容时,两级放大器之间采用阻容耦合电路。阻容耦合电路由电阻和电容构成,但是在电路中只能直接看出耦合电容,看不到电阻。可以用如图 1所示阻容耦合电路的等效电路来说明这种耦合电路的工作原理。
 图1 阻容耦合电路等效电路
1.等效电路分析 关于阻容耦合电路等效电路的工作原理主要说明下列几点:
(1)电路中的 C1是耦合电容, ri是后一级放大器的输入阻抗。阻容耦合电路中所说的电阻是下一级放大器的输入阻抗 ri,电容是C1。 (2)从图中可以看出这是一个电容、电阻构成的典型分压电路,加到这一分压电路中的输入信号 Ui是前一级放大器的输出信号。从这一分压电路输出的信号是 Uo,这也就是加到后一级三极管基极上的输入信号,这一信号愈大,说明耦合电路对信号的损耗愈小。 (3)根据分压电路特性可知,当放大器输入阻抗 ri大小一定时(通常它不变化),耦合电容C1容量大,其容抗小,输出信号 Uo大,即在耦合电容 C1上的信号损耗小。所以,要求耦合电容的容量要足够大,这样信号通过耦合电容时损耗才小。
2.几点说明 关于阻容耦合电路还要说明以下几个问题:
(1)当放大器的输入阻抗比较大时,可以适当减小耦合电容的容量,这一点通过分压电路的特性很容易理解。降低耦合电容 C1的容量,对降低耦合电容的漏电电流有利,因为电容的容量愈大,其漏电电流就愈大,放大器的噪声就愈大(耦合电容漏电流就是电路噪声),特别是输入级放大器的输入端耦合电容要尽可能小。
(2)耦合电容对低频信号容抗比中频和高频信号的容抗要大,所以阻容耦合电路对低频信号是不利的,当耦合电容的容量不够大时,低频信号首先受到衰减,说明阻容耦合电路的低频特性不好。 (3)耦合电容具有隔直作用,所以采用阻容耦合的放大器不能放大直流信号,对频率很低的交流信号耦合电容的容抗太大也不能有效放大。 (4)在不同工作频率的放大器中,由于放大器所放大的信号频率不同,对耦合电容的容量大小要求也不同。音频放大器中,一般耦合电容的容量在 1~ 10μF之间。为了降低电容漏电电流,愈是处于前级的耦合电容,其容量要求愈小。 (5)图 2所示是一种变形阻容耦合电路,即在耦合电容 C1回路中串联一只电阻R1,该电阻一般为 2k Ω。这种变形阻容耦合电路在一些性能较好的音频放大器中常见到。这一耦合电路的作用同普通阻容耦合电路基本一样,只是电阻R1可以用来防止可能出现的高频自激。
 图2 变形阻容耦合电路
3.电路故障分析 (1)耦合电路的作用之一是让信号无损耗地通过,加到后一级电路中。当耦合电路中的元器件开路时,信号不能加到下一级电路中,使放大器无信号输出。当耦合元器件的性能不好而造成信号损耗增大时,放大器输出信号减小。
(2)当耦合电容漏电或击穿时,前后两级放大器直流电路的工作受到影响,从而影响交流电路的工作,放大器输出信号不正常。 三、直接耦合电路工作原理分析与理解 在双管直接耦合放大器中介绍了直接耦合电路。直接耦合电路的特点是前级放大器输出端与后级放大器输入端之间没有耦合元器件。
直接耦合电路让交流电流通过的同时,也可以让直流电流通过,这是这种耦合电路的特点,所以直接耦合放大器可以用来放大直流信号,而且低频特性好。
直接耦合电路的缺点是,由于直流电流也能通过,参加耦合的各级放大器直流电路相互牵制,这对电路故障修理不利。
四、变压器耦合电路工作原理分析与理解 变压器耦合电路的具体电路形式有多种。
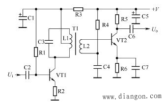
1.变压器耦合电路之一图 3所示是一种变压器耦合电路。电路中,VT1和 VT2构成两级放大器;T1是一个耦合变压器,L1是它的一次绕组,一次绕组有一个抽头,L2是它的二次绕组,这一耦合变压器T1只有一组二次绕组。
 图3 变压器耦合电路之一
关于这一变压器耦合电路的工作原理主要说明下列几点: (1)VT1集电极信号电流流过T1一次绕组L1抽头以下绕组,根据变压器原理可知,T1二次绕组两端便有输出信号电压,这一输出信号电压加到VT2基极回路。其信号电流回路是:二次绕组 L2上端→ VT2基极→ VT2发射极→发射极旁路电容 C7→地线→电容 C4→二次绕组 L2下端,通过二次绕组 L2成回路,完成信号的传输。
(2)对于直流电流而言,由于 T1一次绕组和二次绕组之间是绝缘的,这样 VT1直流电路与 VT2所在的直流电路相互隔离,这一特性同阻容耦合电路相同。 (3)变压器耦合电路的低频特性不好,这是因为耦合变压器的一次绕组是 VT1集电极负载,由于绕组的感抗与频率成正比,这样当信号频率低时感抗小,VT1集电极负载电阻小,电压放大倍数较小(集电极负载电阻小时放大器电压放大倍数小),显然变压器耦合电路的低频特性不佳。另外,当信号的频率高到一定程度时,由于耦合变压器 T1存在各种高频的能量损耗,高频信号受到损失,所以这种耦合电路的高频特性也不好。关于这一变压器耦合电路的故障分析主要说明下列几点:
(1)当耦合变压器 T1的一次绕组 L1抽头开路时,VT1集电极没有直流工作电压,此时VT1没有输出信号,VT2也没有信号输出,但是VT2直流工作状态不变(指 VT2集电极、基极和发射极直流工作电压和电流大小不变)。 (2)当耦合变压器 T1二次绕组 L2开路时,不影响 VT1正常工作,但是 VT2没有基极电压,这时 VT2截止,所以 VT2没有交流信号输出。 (3)当电容 C4严重漏电或击穿时,VT2基极直流偏置电压低或没有直流偏置电压,VT2截止,VT2没有交流信号输出;当 C4开路时,对VT2直流电路没有不良影响,但是 T1二次绕组L2下端没有交流接地,只能通过电阻 R4和电容C5交流接地,这相当于在 VT2基极交流回路中串联了电阻R4,输入 VT2基极的交流信号受到大幅衰减,VT2输出信号大幅减小。
2.变压器耦合电路之二 图 4所示是另一种变压器耦合电路,这一电路与前面电路的不同点是:耦合变压器 T1二次绕组有一个中心抽头,而中心抽头通过电容C3交流接地,这样二次绕组 L2上端、下端的信号电压相位相反。

图4 变压器耦合电路之二
关于这一变压器耦合电路的工作原理主要说明下列几点:
(1)当二次绕组 L2上端信号为正半周期间,L2绕组的下端信号为负半周期间;当 L2上端为信号负半周期间,L2下端为信号正半周期间。 (2)由于这一耦合变压器 T1二次绕组 L2有一个中心抽头,这样二次绕组能够输出大小相等、相位相反的两个信号,即 L2上端与抽头之间绕组输出一个信号加到 VT2基极,L2抽头与下端之间绕组输出另一个相位相反的信号加到VT3基极。VT2和 VT3基极上的交流信号电压波形见图中所示。 (3)由于 VT2和 VT3都是 NPN型三极管,加到VT2和 VT3基极的信号电压大小相等,相位相反。这样在 VT2基极为正半周信号而使VT2导通、放大时,VT3基极为负半周信号而使VT3截止;在 VT2基极为负半周信号而使 VT2截止时,VT3基极为正半周信号而使 VT3导通、放大。 (4)VT2基极信号电流回路是:二次绕组 L2上端→ VT2基极→ VT2发射极→地端→ C3→二次绕组 L2抽头,通过 L2抽头以上绕组成回路。 (5)VT3基极信号电流回路是:二次绕组 L2下端→ VT3基极→VT3发射极→地端→ C3→二次绕组 L2抽头,通过 L2抽头以下绕组成回路。
关于这一变压器耦合电路的故障分析主要说明下列几点:
(1)当二次绕组 L2的中心抽头开路时,VT2和 VT3中均无信号电流,因为这时VT2和VT3基极交流信号电流不成回路。 (2)当 C3开路后,VT2和 VT3中也均无信号电流,因为 VT2和 VT3基极交流信号电流不成回路。 (3)如果二次绕组 L2的抽头以上或以下绕组开路时,那么只影响 VT2或 VT3中的一只三极管的正常工作。
3.变压器耦合电路之三 图 5所示是另一种变压器耦合电路,这一电路与上一个电路的不同之处是:耦合变压器有两组独立的二次绕组 L2和L3,两组绕组的匝数相等,这样耦合变压器也能输出大小相等、相位可以相反的两个信号。两组二次绕组输出的信号电压分别加到 VT2和 VT3基极,两管基极上的信号电压波形见图中所示。
 图5 变压器耦合电路之三
由电路中二次绕组 L2和 L3的同名端标记可知,当 L2的上端为正半周期间,VT2导通、放大信号,此时L3的下端为负半周信号,使VT3截止。当信号变化到另一个半周时,L2上的上端为负半周信号,L3的上端为正半周信号,VT3导通、放大。
电路分析小结
(1)分辨直接耦合电路、阻容耦合电路和变压器耦合电路很方便,当级间有电容连接时为阻容耦合电路,当级间有变压器时为变压器耦合电路,当级间没有元器件时为直接耦合电路。 (2)能够放大直流信号的放大器中,一定要采用直接耦合电路。当然直接耦合的放大器也能够放大交流信号,许多交流放大器中就是采用直接耦合电路。 (3)采用阻容耦合或变压器耦合的放大器,由于级间的直流电路是相互隔离的,所以修理起来比较方便。 (4)从频率特性角度上讲,直接耦合电路性能最好,但不方便修理。 (5)阻容耦合、变压器耦合放大器的低频特性欠佳,没有直接耦合电路的低频特性好。 |