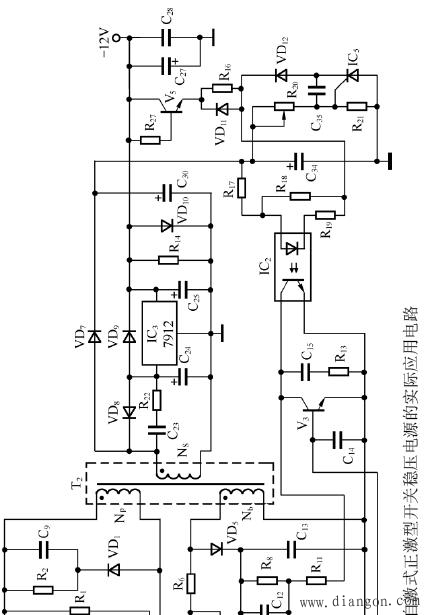
1、单端自激式正激型开关稳压电源的实际应用电路 单端自激式正激型开关稳压电源的实际应用电路如图2-6所示。该电路为早期典型的单端自激式正激型开关稳 压电源电路,其输出电压为−12V,输出电流为5A。当输入电网电压为220V/50Hz时,电路中的开关K就置于B的 位置;当输入电网电压为110V/60Hz时,电路中的开关K就置于A的位置。 2、单端自激式正激型开关稳压电源的工作原理 该稳压电源电路的输入电压通过开关K可以在220V/50Hz与110V/60Hz之间互相转换,输入电压的动态变化范围 为40%,输出电压为−12V,输出电流为5A。其工作原理为:输入工频电网电压220V/50Hz与110V/60Hz经过由 电容C1~C6和共模电感T1构成的双向共模滤波器将杂波噪声和干扰信号滤除干净后,再经过具有负温度系数 的限流保护电阻输送到全波整流器IC1。全波整流器的输出经过由电容C7、C8和电阻R1组成的滤波器滤波后, 即可得到300V/150V直流电压。该直流电压就是单端自激式正激型开关稳压电源电路的供电电压。电路中的双 向共模滤波器既可滤除和抑制工频市电电网上的高频干扰信号对电源电路的影响,又可滤除和抑制开关稳压 电源电路本身所产生的高频干扰信号窜扰到工频市电电网上对其形成的污染。


当电源电压接通后,300V/150V直流电压经功率开关变压器的初级绕组Np加到功率开关管V1的集电极。与此同时,该300V/150V直流电压经电阻R4、R7、R9和二极管VD3降压或分压后向功率开关管V1的基极提供正向偏压和所需的基极电流,于是功率开关管V1就开始导通。这样,在功率开关变压器的初级绕组Np中便有经功率开关管V1的集-射极、二极管VD3和电阻R9的电流流过。功率开关管V1的集电极电流流过功率开关变压器的初级绕组Np后,必然会在绕组Np上感应出交变电压,通过变压器的磁耦合作用,便会在功率开关变压器的次级绕组Nb上感应出对功率开关管V1基极为正反馈的电压。该电压将经过电阻R6和二极管VD4向功率开关管V1的基极提供偏置电流,这样就会使功率开关管V1基极注入的电流进一步增大,从而使功率开关变压器初级绕组上的感应电压也进一步增大,如此循环往复就形成一个很强的正反馈过程。由功率开关变压器绕组上形成感应电压的原理可以得知,当流过功率开关变压器初级绕组Np中的电流线性增大时,在该绕组上所产生的感应电压将维持不变,但是由于上述的正反馈过程进行得非常强烈,因此功率开关管V1将迅速进入饱和导通状态。这使功率开关管V1集电极的电流将增大为基极电流的(晶体管的直流放大倍数)倍,即达到最大值。这就意味着功率开关管V1集电极电流的增长率有所下降,其结果是造成功率开关变压器初级绕组Np上感应的电压降低。显然该感应电压的降低就必然要造成功率开关变压器另外一个绕组Nb上所感应电压的降低。而该绕组Nb所感应电压的降低势必导致功率开关管V1基极和集电极电流下降。此后功率开关管V1集电极电流将由原来的正变化率变为现在的负变化率,其结果使功率开关变压器的另外一个绕组Nb上所产生的感应电压的极性变得与原来完全相反,这个反极性感应电压通过电R5、R6和电容C10的耦合和降压后,使功率开关管V1迅速进入反偏状态,迫使其迅速进入截止状态。这样一来就完成了变换器电路由饱和导通到关闭截止的一个完整振荡周期。下一个工作周期又重新由300V/150V直流电压经电阻R4向功率开关管V1提供基极电流开始,如此循环往复便可构成单端自激式多谐振荡器的工作过程。从图2-6中可以看出,−12V直流输出电源电压的次级绕组Ns在功率开关管V1导通的时间内,会将初级绕组Np流过的电流通过变压器的磁耦合作用以及二极管VD8和电容C24整流滤波后输送给线性稳压器IC3(LM7912),最后将一个稳定的−12V直流电压输送给负载电路系统。 3、单端自激式正激型开关稳压电源的其他电路 在这个单端自激式正激型开关稳压电源的实际电路中,有关控制、保护、耦合等电路已在第1章中较详细地分 析过,这里只对实际应用中经常要遇到的消振衰减电路、纹波消除电路、各次级绕组的整流电路中的消噪声电路进行重点分析。 1.消振衰减电路 由单端自激式正激型开关稳压电源实际电路工作原理的分析与讨论中可以看出,电源电路加电后,在功率开 关管V1的集电极就会得到如图2(a)所示的瞬间矩形波振荡脉冲信号。该矩形波脉冲信号是一个具有正向 峰值和负向峰值的脉冲振荡波形,这个正向和负向上冲的峰值电压可以比直接加到功率开关管V1集电极的输 入电压(300V/150V)高2~3倍。显然,这样高的上冲峰值电压特别容易造成功率开关管V1被二次击穿而损坏 。为了避免这种二次击穿问题,在如图1所示的开关稳压电源电路中的功率开关管V1集电极电路中分别引入 了由二极管VD1、电容C9、电阻R2和二极管VD2、电容C11、电阻R3组成的两个消振衰减电路。其中一个消振衰 减电路主要用来消除由于功率开关变压器的漏磁而引起的上冲峰值电压,另外一个消振衰减电路主要用来消除由于功率开关管V1的电压、电流应力而引起的上冲峰值电压。图2(b)所示的电压波形就是引进了上述消振衰减电路后,在功率开关管V1的集电极所得到的输出电压波形。从图中可以看出,功率开关管V1集电极输出电压波形中的正向和负向峰值较高的上冲脉冲电压信号基本上被消除和衰减掉了,使功率开关管V1的工作安全性和可靠性得到了极大的改善和提高,使开关稳压电源的电磁兼容性也得到了极大的改善和提高。

2.纹波消除电路 由于单端自激式正激型开关稳压电源工作在25~50kHz的高频状态,因此在高频功率开关变压器的次级回路中 ,要求直流输出电压的电流较大。为了降低这些输出电流大的回路中的纹波电压的幅值,就必须在整流二极管VD8的两端并联一个由电阻R22和电容C23组成的纹波消除电路,以吸收和消除二极管VD8由导通到截止或者由截止到导通的转换过程中由于存在着一定的恢复时间而引起的纹波噪声。 3.高频整流电路 由于主变换器工作在25~50kHz的高频状态,因此在高频功率开关变压器的次级回路中的所有整流二极管都需要采用具有快恢复特性的开关二极管,而不能采用一般的整流二极管。其中,对要求输出电流较大的次级回路中的整流二极管还要求必须采用肖特基二极管。这是因为肖特基二极管不但具有非常快的恢复特性,而且还具有正向导通压降比一般的快恢复二极管小的优点。因此采用这种肖特基二极管就可以减小整流二极管本身的功率损耗。这样一来,不但可以提高整个电源电路的功率转换效率,而且还可以降低整流二极管的温升。这一点在大电流输出的开关稳压电源电路中尤为突出和重要。例如,若要求输出电流为10A时,选用了管压降为0.7V的一般快恢复整流二极管,那么仅整流二极管本身上的功率损耗就有7W之多。若选用管压降为0.3V(目前已有0.2V管压降的肖特基二极管上市)的肖特基二极管时,则整流二极管本身上的功率损耗就可以降为3W。另外这里还没有考虑一般快恢复整流二极管的管压降与所通过的电流和本身的温升成反比的因素。因此,适当的选择整流二极管不但降低了功耗,提高了转换效率,而且也降低了整流二极管的温升,有利于解决散热问题。 4.功率开关变压器的磁通复位 单端式正激型开关稳压电源中的功率开关变压器是一个单纯通过电磁感应传输能量的隔离器件。为了使负载电路能够得到有效而连续稳定的电流和电压,在输出电路中必须要具有储能电感L,其等效电路如图3所示。为了说明问题,在这里再重述一下单端式正激型开关稳压电源的工作过程。当功率开关管V导通时,在功率开关变压器的初级绕组中就会产生一个电流,并存储了能量。由于功率开关变压器的初级绕组与次级绕组的极性相同,因此这个能量通过磁感应的方式同时也传输给了次级绕组。处于正向偏置的二极管VD2就把该能量传输给了储能电感L,并储存在储能电感L中。此时,二极管VD3处于反向偏置而截止。当功率开关管V截止时,功率开关变压器各绕组中的感应电压全部反向,二极管VD2由于反偏而截止,续流二极管VD3处于正向偏置而导通,存储在储能电感L中的能量来维持负载电路中所需的电流和电压。功率开关变压器中的Ln绕组为回受(复位)绕组,它具有如下的功能:

① 在功率开关管V截止期间,为功率开关变压器提供磁通复位。 ② 与二极管VD1串联,消除功率开关管V集电极上的尖峰电压。 在功率开关管V导通时,功率开关变压器的初级绕组就会存储能量;而当功率开关管V截止时,功率开关变压器次级侧的二极管VD2反偏而截止。存储在功率开关变压器初级绕组中的能量必须通过一种途径释放掉,否则磁通将不能复位,功率开关变压器将会很快进入饱和状态。增加了磁通复位绕组Ln和二极管VD1(并使磁通复位绕组Ln的匝数与初级绕组Lp的匝数相同,加工时一定要双线并绕)后,当磁通复位绕组上的感应电压超过电源电压时,与其串接的二极管VD1就会导通,将其能量送回电源。这样,就可以将初级绕组上的电压峰值限制在电源电压以下。因此,功率开关管V集电极的峰值电压也就被限制在两倍的电源电压以下。为了达到磁通复位的目的,使磁通建立和磁通复位的时间相等,设计这种电路时,一般应遵循使驱动信号占空比的最大值不得超过50%的原则。 |